Analog Devices / Maxim Integrated MAX77714パワー管理IC

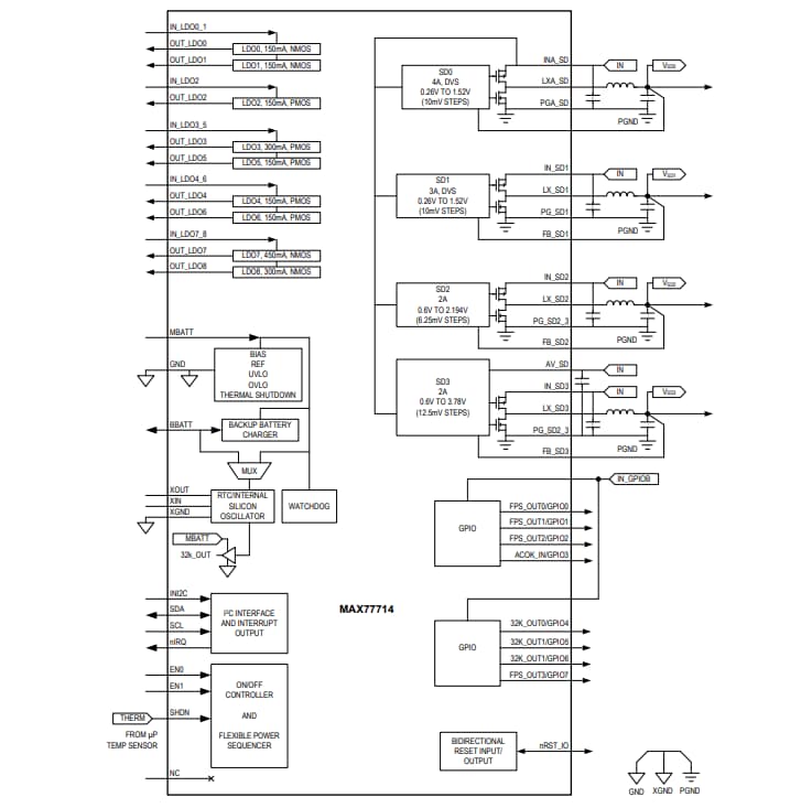
Maxim Integrated MAX77714パワー管理IC(PMIC)は、システム・オン・チップ(SoC)アプリケーション・プロセッサを使用しているポータブル機器用に設計されています。このPMICは、レギュレータ13台、汎用入出力(GPIO)8個、リアルタイム・クロック(RTC)、マルチコア・アプリケーション用のフレキシブル・パワー・シーケンサ(FPS)が特徴です。MAX77714 PMICは、さまざまなシステム・ブロックに電力を供給できる低ドロップアウト(LDO)リニア・レギュレータ9台で構成されています。各LDOは、シャットダウンでのプログラマブル・アクティブ放電回路、および起動時の突入電流を制限する2つのソフトスタート・レートが特徴です。MAX77714 PMICには、タイムキーピングおよびアラーム・ウェイクアップ機能に役立つ外付け水晶発振器が搭載されたRTCが含まれています。このPMICには、オン/オフ・コントローラとFPSが搭載されており、アプリケーションプロセッサからの介入を最小限に抑えたパワーアップ/パワーダウン・シーケンスの設定において、最大限の柔軟性を発揮できます。一般的なアプリケーションには、ドローン、スマートフォン、PC、AR/VRヘッドセット、セットトップボックス、デジタルカメラ、ホームオートメーション・ハブがあります。

特徴

  • 高度統合
    • 4xバック・レギュレータ
    • 9x LDOリニア・レギュレータ
    • 8つのGPIO
    • RTC
    • 予備バッテリ充電器
    • 双方向リセットI/O
    • 割り込み出力
    • システム監視タイマ
  • 低消費電力
  • 小型
  • 柔軟な設定が可能
    • I2C互換インターフェイス
    • 出荷時OTPオプションが利用可能
    • 柔軟性に富んだパワーシーケンサ
    • 構成可能パワーアップ/パワーダウン/スリープモード・エントリ/イグジット・タイミング
    • 高度に構成可能なGPIO ALTモード

アプリケーション

  • ドローン
  • スマートフォン
  • タブレット
  • パソコン
  • AR/VRヘッドセット
  • セットトップボックス
  • ストリーミングデバイス
  • ホームオートメーション・ハブ
  • 自動車用アフターマーケット・アクセサリ
  • デジタルカメラ

MAX77714 PMICのブロック図

ブロック図 - Analog Devices / Maxim Integrated MAX77714パワー管理IC
公開: 2018-07-17 | 更新済み: 2022-09-02