Analog Devices / Maxim Integrated MAX13053Aシールド
Maxim Integrated MAX13053Aシールドは、組立とテストが完了しているPCBで、MAX13053A高速CANインターフェイスの機能を評価するように設計されています。このMAX13053Aコントローラ・エリア・ネットワーク(CAN)トランシーバICは、障害保護を実現しており、拡張コモン・モード入力範囲と25kV ESD人体モデル(HBM)コントローラ・エリア・ネットワーク(CAN)トランシーバ備わっています。この評価キットは、CANバスでの通信を実施するためにMbedまたはArduinoプラットフォームを実現できます。機能には、レベル変換器として使用されるデジタル・アイソレータがあります。MAX13053Aシールドは、1.71V~5.5Vの供給電圧範囲で動作します。アプリケーションには、ビル・オートメーション、ドローン産業オートメーション、計装、モータ制御、プログラマブル・ロジック・コントローラ、スマート・グリッド機器があります。特徴
- 統合保護により堅牢性が向上:
- ±65Vフォールト・トレラントCANHおよびCANL
- ±25kV ESD HBM(人体モデル)
- ±25V拡張コモンモード入力範囲(CMR)
- トランスミッタのドミナントタイムアウトによりロックアップを防止
- 短絡保護
- サーマルシャットダウン
- このファミリは、柔軟性に富んだ設計オプションを実現
- 最大2Mbpsの高速動作
必要な機器
- MAX13053AESHLD Shield
- 5V, 500mA DC power supply
- Signal/function generator
- Oscilloscope
アプリケーション
- ビルオートメーション
- ドローン
- 産業オートメーション
- 計装
- モータ制御
- プログラマブルロジックコントローラ
- スマート・グリッド機器
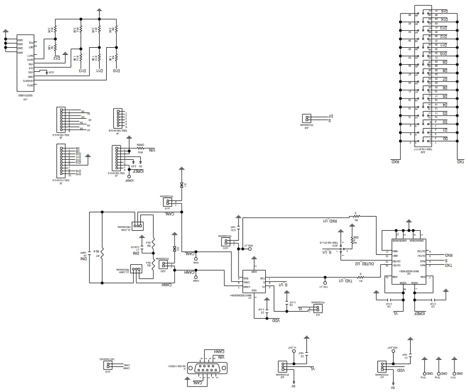
MAX13053Aシールドの回路図
公開: 2018-08-29
| 更新済み: 2023-04-25
