特徴
- 高速デジタル信号用の堅牢なガルバニック絶縁
- 最大200Mbpsデータレート
- 60秒で3.75kVRMSの耐性(VISO)
- 連続耐圧 445VRMS(VIOWM)
- GNDAおよびGNDB間で、1.2/50μs波形で±10kVサージ耐性
- 高CMTI(50kV/μs、typ)
- 低消費電力
- VDD = 3.3Vの1Mbpsでチャンネルあたり1.1mW
- VDD = 1.8Vの100Mbpsでチャンネルあたり3.5mW
- 広範なアプリケーションに対応するオプション
- 2つのデータレート: (25Mbps、200Mbps)
- 3つのチャネル方向設定
- 2つの出力デフォルト状態(ハイ/ロー)
アプリケーション
- 絶縁SPIインターフェイス
- 産業オートメーション向けフィールドバス通信
- 絶縁RS-485/RS-422、CAN
- バッテリ管理
- 医療用システム
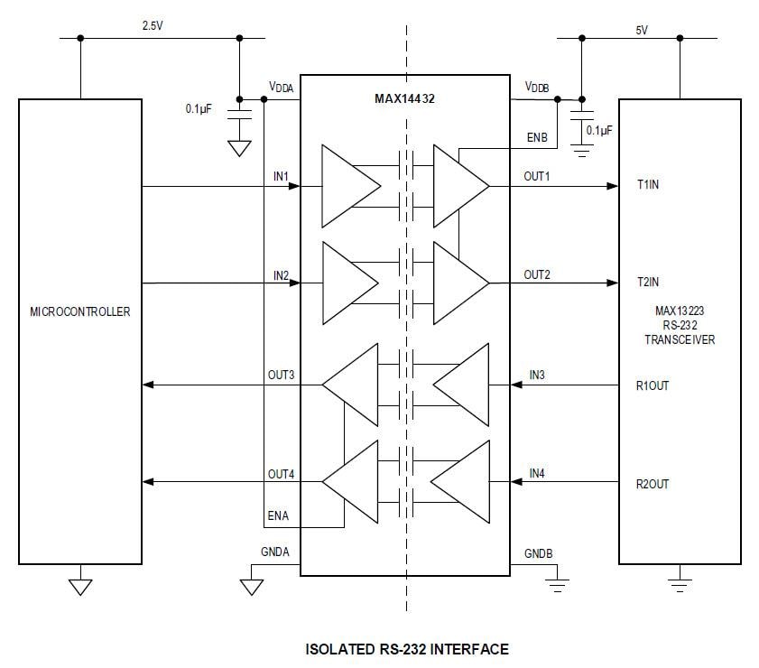
標準アプリケーション回路
公開: 2018-03-26
| 更新済み: 2023-04-13

