Analog Devices / Maxim Integrated MAX14745ウェアラブル充電管理ソリューション

Maxim Integrated MAX14745ウェアラブル充電管理ソリューションは、Smart Power Selectorおよび数多くの電力最適化周辺機器が搭載されているリニアバッテリ充電器で構成されています。MAX14745は、フィットネスモニタやIoTデバイスなど、低消費電力ウェアラブル・アプリケーション用に設計されました。5つの安定化電圧は、2つの超低自己消費電流バック・レギュレータおよび3つの超低自己消費電流、低ドロップアウト(LDO)リニア・レギュレータから供給されます。このレギュレータはそれぞれに超低自己消費電流があり、消費電力を最小限に抑え、バッテリ寿命を延長します。バッテリ充電器の一部であるSmart Power Selectorは、源に接続された時にバッテリが不足している際の動作をサポートします。

電源アダプタの過負荷は、Smart Power Selectorへの入力電流がI2Cレジスタ設定に基づいて安定化が図られてることで防止されます。温度に依存する充電電流は、充電器によって強化されます。専用の入力ピンには、それぞれに3つの構成可能なLDOがあります。オプションの機能を装備することでこのリニア・レギュレータを電源スイッチとして構成し、システム周辺機器の静止負荷による切断が可能になります。真のオフまたは常時オン状態を必要とするアプリケーションは、プログラマブル・パワーコントローラから設定できます。

特徴

  • バッテリ充電間のシステム使用時間を延長
    • デュアル超低IQ 200mAバック・レギュレータ
      • 0.8V~2.375Vおよび0.8V~3.95Vから出力プログラマブル
      • 0.9µA(標準)自己消費電流(Buck 1)
      • ノイズに敏感なアプリケーションでリップル周波数を最適化するオプションの固定周波数ピーク電流モード
    • 3つの超低IQ 100mA LDO
    • LDO1
      • 0.8V~3.6Vのプログラマブル出力
      • 0.6µA(標準)自己消費電流
      • 専用ピンが備わった2.7V~5.5Vの入力
    • LDO2/3
      • 出力プログラマブル0.9V~4V
      • 1μA(標準)自己消費電流
      • 専用ピンが備わった1.71V~5.5V入力
  • リチウムイオンバッテリ充電の実装が容易
    • Smart Power Selector
    • 28V/-5.5V公差入力
    • サーミスタモニタ
  • 高度統合によってソリューションの占有面積を最小化
    • 5つの安定化電圧レールを実現
    • 各LDOのスイッチモードオプション
  • システム制御を最適化
    • 超低電力モード用プッシュボタンのモニタリング
    • パワーオンリセット遅延および電圧シーケンシング
    • オンチップ電圧モニタマルチプレクサ

アプリケーション

  • ウェアラブル電子機器
  • フィットネスモニタ
  • 充電式IoTデバイス

ビデオ

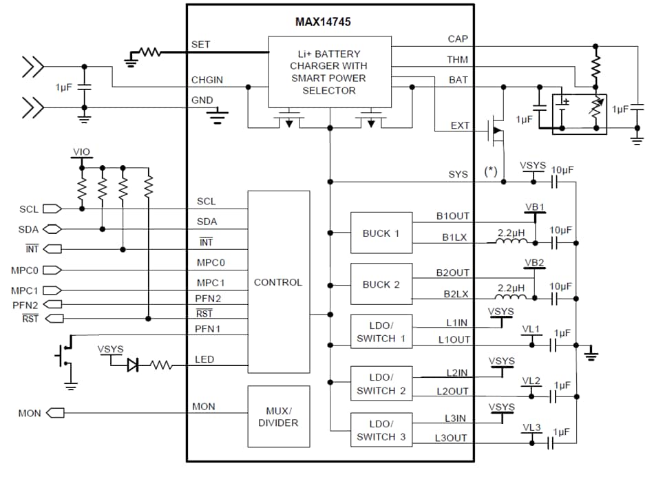
MAX14745のアプリケーション回路

アプリケーション回路図 - Analog Devices / Maxim Integrated MAX14745ウェアラブル充電管理ソリューション
公開: 2018-04-17 | 更新済み: 2023-04-12