Analog Devices / Maxim Integrated MAX14912/MAX14913オクタル・ハイサイド・スイッチ
Maxim MAX14912/MAX14913オクタル高速ハイサイド・スイッチ/プッシュプル・ドライバには、8つの640mAスマート・ハイサイド・スイッチがあり、高速スイッチング用にプッシュプル・ドライバとして構成することもできます。入力からハイサイド/ローサイド・ドライバのスイッチングへの伝搬遅延は、1μs(最大)です。各ハイサイドドライバには、TA = 125°Cの場合に500mAの負荷電流で230mΩ(最大)の低オン抵抗があります。このデバイスは、ピンまたはSPIインターフェイスを介して構成および制御されています。このSPIインターフェイスは、デイジーチェーンが可能で、複数デバイスの効果的なカスケード接続が可能になります。また、SPIは、最も詳細な診断情報向けコマンドモードに対応しています。MAX14912は、パラレルよびシリアル設定モードでSPIを通じて構成することができ、一方、MAZ14913は、シリアル設定モードのみでSPIを通じて構成します。特徴
- 低電力および熱放散
- 230mΩ(最大)ハイサイドRON @ TA = 125°C
- 高効率5V/100mAバック・レギュレータ
- 高速制御システムに最適な高速スイッチング
- 0.1µs(typical)伝播遅延(ハイサイド・モード)
- 0.5µs(typical)伝播遅延(プッシュプル・モード)
- プッシュプルモードでの200kHzスイッチング速度機能
- 誘導負荷の高速消磁
- 堅牢な動作
- 60V Abs最大VDD定格
- 安全消磁: ターンオフの無制限インダクタンス
- IEC61000-4-2 8kV空中/6kV接触ESD保護
- VDDでのTVSが備わった±1kV/42Ωサージ保護
- ウォッチドッグおよびCRC搭載の堅牢なSPIインターフェイス
- 周囲動作温度範囲: -40°C~125°C
- 拡張性の高い診断によって、システムのダウンタイムを低減
- ドライバおよびチップ毎の熱シャットダウン
- ハイサイドモードでのオープンワイヤ検出
- 低電源電圧警告
- 低電圧検出
- OUTでの過電圧検出
- 過電流検出
- 視覚障害と出力状態表示用のLEDドライバ
- 容易な設計を目的とした柔軟性に富んだインターフェース
- シリアルおよび/またはパラレル制御インターフェース
- チャネル毎の設定とモニタリング
- 広いロジック電圧範囲(1.6V~5.5V)
- 小型パッケージおよび高集積によって、コンパクト高密度I/Oモジュールが実現
- 寸法: 56ピンQFN 8mm x 8mmパッケージ
- 8つのハイサイドスイッチ/プッシュプルドライバ
- デイジーチェーン接続可能なSPIインターフェイス
アプリケーション
- 産業用デジタル出力
- PLCシステム
- ビルオートメーション
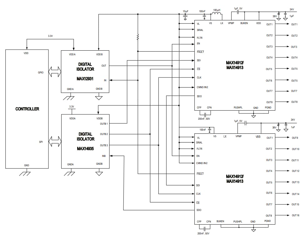
標準的なアプリケーション図
ビデオ
Application Note
公開: 2017-02-24
| 更新済み: 2023-04-11
