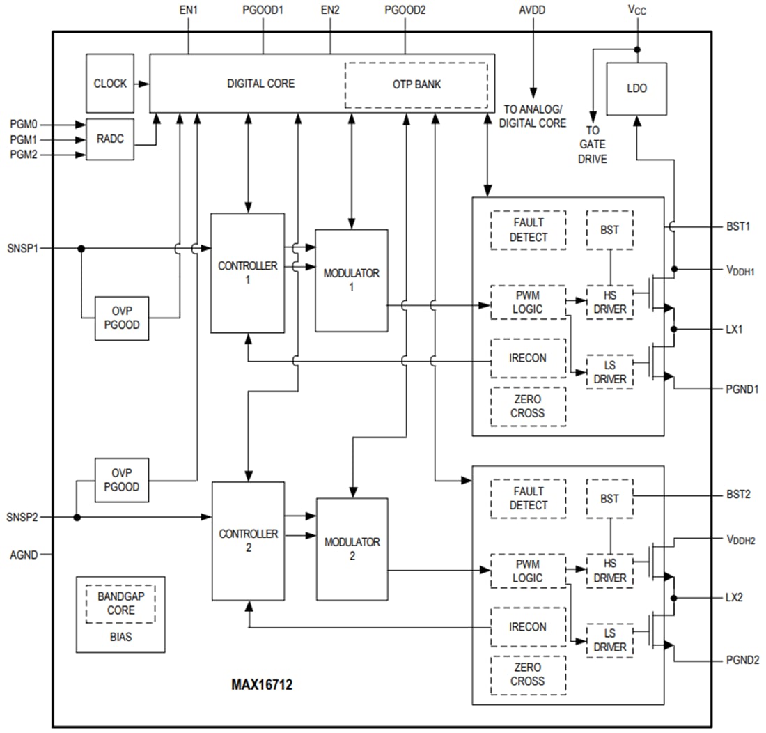
デバイスのスイッチング周波数は、500kHz~2.0MHzに設定できます。ソリューションのサイズと性能の観点で、設計を最適化する機能を提供しています。MAX16712には、固定周波数、内部補償を備えた電流モード制御が活用されています。デュアルスイッチングレギュレータは、180°の位相のずれで動作します。ICは、高度変調方式(AMS)および性能を向上させる、選択可能な不連続電流モード(DCM)動作が特徴です。動作設定と構成可能な機能は、PGM0ピンから接地にピンストラップ・レジスタを接続することでも選択できます。
Analog Devices MAX16712には、内部1.8V LDO出力があり、ゲートドライブ(VCC)と内部回路(AVDD)に電力を供給できます。モジュールには、正と負の過電流保護、出力過電圧保護、温度過昇保護をはじめとする複数の保護が集積されており、堅牢な設計が保証されます。このデバイスは、コンパクトな2.2mm x 3.5mmウェハーレベル・パッケージ(WLP)でご用意があります。-40°C ~+125°Cの接合部温度動作に対応しています。
特徴
- 部品数が少ない高電力密度
- デュアル出力または二相動作
- バイアス動作向けにLDOを集積した単供給動作
- コンパクトな2.2mm x 3.5mm、28バンプWLP
- 内部補償
- 広い動作範囲
- 入力電圧範囲:2.7V~16V
- 出力電圧範囲:0.5V~5.8V
- 500kHz~2MHzの構成可能なスイッチング周波数
- 接合部温度範囲:-40°C~+125°C
- 異なる構成を選択する3本のプログラミング・ピン
- 各出力のための独立したイネーブルとパワーグッド
- 最適化された性能と効率性
- VDDH = 12V、VOUT = 1.8V、fSW = 1MHzでの90.5%ピーク効率
- 交互の180°の位相ずれ動作
- 負荷過渡を向上させるためにAMSを選択可
- 軽負荷効率を向上させるためにDCMを選択可
- 二相動作のための能動電流平衡化
アプリケーション
- 通信機器
- ネットワーク用機器
- サーバおよびストレージ機器
- ポイントオブロード(POL)電圧レギュレータ
- μPチップセット
- メモリVDDQ
- FPGA/DSP/MCUのI/Oピン
ブロック図
公開: 2021-11-18
| 更新済み: 2023-04-17

