Analog Devices / Maxim Integrated MAX16813B 4チャンネルLEDドライバ
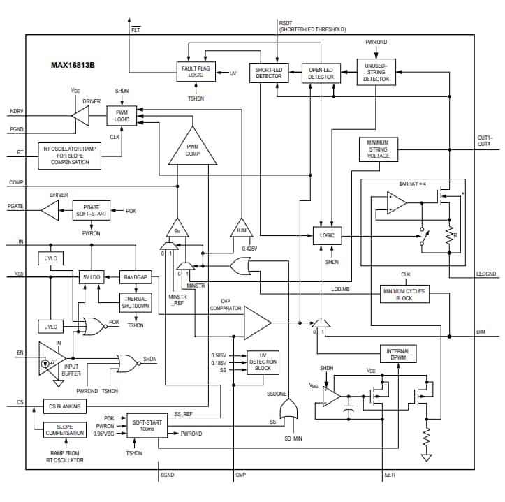
Maxim Integrated MAX16813B 4チャンネルLEDドライバは、高効率と高輝度を実現しており、4つの統合LED電流シンクチャンネルが備わっています。統合電流モードスイッチングコントローラは、HB LEDの複数のストリングへの必要な電圧を実現しているDC-DCコンバータを駆動します。MAX16813Bを使用すると、4.75V~40Vの広い入力電圧範囲が可能になり、自動車の直接的なロードダンプ事象に耐えることができます。広い入力範囲によって、車載および一般的な照明アプリケーションでの小型~中サイズのLCDディスプレイを対象としたHB LEDの給電が可能になります。MAX16813Bは、単一の外付け抵抗器を使用し±3%精度で20mA~150mAで調整できる4つの同一のリニア電流シンクチャンネルで構成されています。複数のチャンネルを並列接続して、1 LEDストリングあたりのさらなる高電流を達成できます。さらに、MAX16813Bは、最低500nsまでの最小パルス幅が備わったロジック入力(DIM)を使用した独自のパルス調光制御が特徴です。このデバイスには、出力過電圧、開LED検出と保護、プログラマブル短絡LED検出と保護、出力低電圧保護と検出、温度過昇保護をはじめとする保護機能が備わっています。
MAX16813B 4チャンネルLEDドライバは、-40°C~+125°C車載用温度範囲で動作し、20ピン(6.5mm x 4.4mm)TSSOPまたは20ピン(4mm x 4mm)TQFNパッケージでご用意があります。
特徴
- 複数のLEDストリングを独立して駆動する内部MOSFETが搭載された4チャンネルリニアLED電流シンク
- フルスケールLED電流、20mA~150mAで調整可能
- 1~4のLEDストリングを駆動
- 200Hzで10000:1 PWM調光
- 干渉を最小限に抑えながら広範なアプリケーションに対応している柔軟性に富んだ電流モードアーキテクチャ
- ブーストまたはSEPIC電流モードDC-DCコントローラ
- 200kHz~2MHzプログラマブルスイッチング周波数
- 外部スイッチング周波数同期
- 拡散スペクトラムモード
- 障害検出とシステムの信頼性を強化する保護機能
- 接地に対する出力の低電圧保護
- 開ドレイン障害インジケータ出力
- 開LEDおよびLED短絡検出と保護
- 過熱保護
- 電力散逸を最小限におさえるための、適応型出力電圧の最適化
- 2µA未満のシャットダウン電流
アプリケーション
- 建築、工業用、および周囲照明
- 車載用ディスプレイLEDバックライト
- 車載用RCL、DRL、フロント位置、フォグライト
- LCD TVおよびデスクトップディスプレイLEDバックライト
ブロック図
ビデオ
公開: 2019-11-05
| 更新済み: 2025-08-14
