Analog Devices / Maxim Integrated MAX17232 & MAX17233デュアルバックコントローラ
Maxim MAX17232 & MAX17233同期デュアルバックコントローラは、降圧型DC-DCコントローラで、統合MOSFETが搭載されています。各デバイスは、3.5V~36Vの入力電圧範囲で動作し、42Vの入力過渡保護が備わっています。MAX17232 & MAX17233コンバータは、95%のデューティサイクルで実行することで、ドロップアウト状態で動作します。これらのコントローラは、3.3V/5Vの固定出力電圧を発生させます。また、1V~10Vの出力電圧をプログラミングできる能力が特徴です。MAX17232 & MAX17233コンバータには、電流モード制御アーキテクチャが採用されています。各デバイスは、パルス幅変調(PWM)またはパルス周波数変調(PFM)制御スキームでの動作が可能です。PWM動作は、全負荷にわたって一定の周波数動作を提供するため、スイッチング周波数に敏感なアプリケーションで役立ちます。PFM動作により負のインダクタ電流を無効にし、さらに軽負荷時にはパルスをスキップして高効率を実現します。MAX17232 & MAX17233コンバータには、完全負荷での高い効率性を確保しレイアウトを簡素化できる低抵抗オンチップMOSFETが装備されています。特徴
-
外付け部品を削減し総コストを低減:
-
ショットキーなしの同期動作による高効率とコスト削減
-
あらゆる出力電圧での操作を安定させるシンプルな外部RC補償
-
全セラミックコンデンサソリューション: 超小型レイアウト
-
180°位相外を動作によって、出力リップルを低減し、カスケード電源を実現
-
-
DC/DCコントローラの在庫数を削減:
-
±1%精度(5V/3.3V)が備わった、または外部レジスタでの調整が可能な固定出力電圧(1V~10V)
-
外部同期によって調整可能な周波数: 220kHz~2.2MHz
-
周波数同期入力
-
-
消費電力を低減:
-
92%のピーク効率
-
シャットダウンで8μA(typical)
-
PFMモードで20μAの自己消費電流(typical)
-
-
高信頼性の動作:
-
入力過渡電圧保護. 42V
-
サイクル毎の電流制限、サーマルシャットダウン
-
供給過電圧および低電圧ロックアウト
-
パワーOKモニタ
-
Spread-Spectrum ControlでEMI放射を削減
-
2.2MHzの低デューティーサイクルでのPWM動作が保証される50ns(typical)の最小オン時間
-
アプリケーション
- 分散電源安定化
- 汎用POL
- ウォール変圧器調整
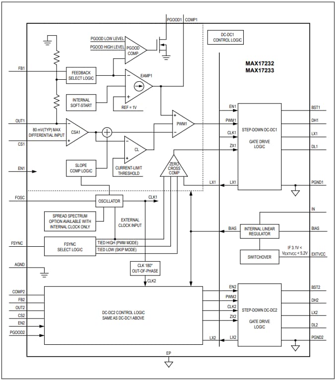
MAX17232 & MAX17233のブロック図
公開: 2017-03-24
| 更新済み: 2023-04-11
