Analog Devices / Maxim Integrated MAX17263G評価キット
Maxim Integrated MAX17263G評価キットは、組立とテストが完了している表面実装PCBで、スタンドアロンModelGauge™ m5ホストサイド残量ゲージICを評価します。このキットには、Maxim DS91230+ USBインターフェイス、IC評価ボード、RJ-11接続ケーブルが含まれています。MAX17263Gキットには、グラフィカル・ユーザ・インターフェイス(GUI)ソフトウェアと使用するために、Windows® 7またはそれ以降のオペレーティング・システムが必須です。この評価ボードは、オンボードLEDアレイ、サーミスタ計測ネットワーク、オプションのオンボードPCBトレース・センス・レジスタ、実証されたPCBレイアウトが特徴です。特徴
- ModelGauge m5アルゴリズム
- 1セルまたは複数セルのパックを監視
- オンボードLEDアレイ
- サーミスタ測定ネットワーク
- オプションのオンボードPCBトレースセンス・レジスタ
- Windows 7またはそれ以降の互換ソフトウェア
- 実績のあるPCBレイアウト
- 完全に組立済、テスト済
- 必要な機器:
- MAX17263G EVキット
- ご希望の設定のリチウム電池パック
- バッテリ充電器または電源
- 負荷回路
- DS91230+ USBアダプタ
- RJ-11 6pos逆モジュラ・コード
- Windows 7またはそれ以降のWindowsオペレーティングシステムとUSBポートが搭載されたPC
必要な機器
- MAX17263GEVKIT evaluation kit
- A lithium battery pack of the desired configuration
- Battery charger or power supply
- Load circuit
- DS91230+ USB adapter
- RJ-11 6pos reverse modular cord
- PC with Windows 7 or newer Windows operating system and USB port
ビデオ
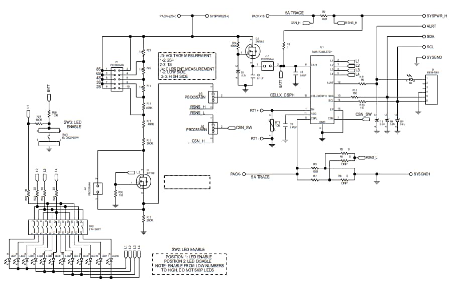
MAX17263Gボードのアプリケーション回路図
MAX17263Gボードの概略図
公開: 2018-08-19
| 更新済み: 2023-04-25
