The Analog Devices MAX17509 Step-Down DC-DC Converter is available in a 5mm x 5mm Thin Quad Flat No-Lead (TQFN) package with an exposed pad for enhanced thermal performance. The device operates over the -40°C to +125°C temperature range, with thermal sensing and shutdown provided for overtemperature (OT) protection.
特徴
- 在庫のDC-DCレギュレータ数を削減
- 出力電圧(20mV分解能で0.904V~3.782Vおよび4.756V~5.048V)
- 2つの独立した出力(3A/3A)または二相シングル出力(6A)を構成可能
- ノイズの懸念とEMIを軽減
- 選択可能な0/180°位相シフトでの調節可能スイッチング周波数
- 外付け周波数同期入力
- EN55022(CISPR22)クラスB放射性および伝導EMI規格に準拠
- 調整可能なスイッチングスルーレート
- 信頼性の高い動作
- 堅牢な故障保護機能(VIN_UVLO、UV/OV、UC/OC、OT)
- パワーグッド
- 簡単なシステム設計
- オールセラミックコンデンサソリューション
- 自動構成内部補償
- 選択可能なHiccupまたはBrickwallモード
- ソフトストップモードおよびプリバイアス起動を用いた、調節可能なソフトスタート立ち上がり/立ち下がり時間
- -40°C~125°Cでの動作
アプリケーション
- FPGAとDSPコア電源
- 産業用制御機器
- 複数のPOL電源
- 基地局用ポイントオブロード型レギュレータ
リソース
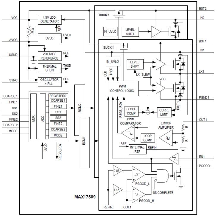
機能ブロック図
公開: 2016-03-04
| 更新済み: 2023-04-12

