Analog Devices / Maxim Integrated MAX17612BEVKIT評価キット
Maxim MAX17612BEVKIT評価キットは、組立が完了している回路ボードで、OV、UV保護機能が搭載され10ピンTDFN-EPパッケージに収められているMAX17612B 4.5V~60V電流リミッタを評価します。The MAX17612BEVKITは、入力全体でのTVSダイオード、および出力端子でのショットキー・ダイオードが特で、実証されたPBCレイアウトが備わっています。MAX17612BEVKIT評価キットは、調整可能な過電圧、低電圧、差動電流制限の種類、差動電流制限の閾値をサポートするように構成できます。特徴
- 動作電圧範囲: 4.5V~60V
- 入力端子間のTVSダイオードおよび出力端子間のショットキー・ダイオードが特徴
- UVLO、OVLO、3つの電流制限の種類、および電流制限閾値を評価
- 4.5VにプログラミングされたUVLO
- 36VにプログラミングされたOVLO
- ジャンパ構成電流制限(デフォルトで250mAに選択)
- デフォルトでオート・リトライに設定されている電流制限モード
- 実証済みPCBレイアウト
- 完全実装および試験済み
アプリケーション
- 状況モニタリング
- 工業センサ
- PLC、ネットワーク制御モジュール、バッテリ駆動モジュールといった産業用アプリケーション
- プロセス計測器
- センサシステム
- 重み付けおよびバッチ処理システム
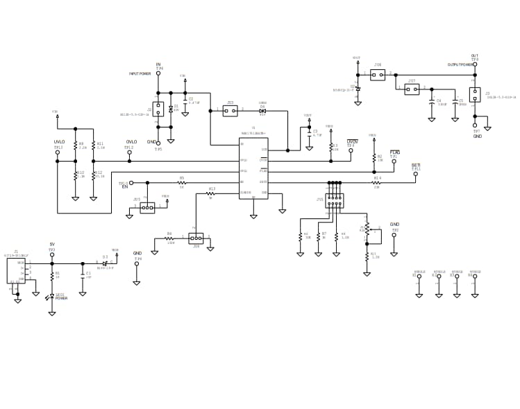
回路図
公開: 2018-10-26
| 更新済み: 2023-04-24
