Analog Devices / Maxim Integrated MAX17662同期降圧型DC-DCコンバータ
Maxim MAX17662同期降圧型DC-DCコンバータには、3.5V~36Vの入力電圧範囲で動作する統合MOSFETが装備されています。また、最大2Aまでの電流を通電できます。出力電圧は、0.6V~90%のVINでプログラミングできます。全出力電圧範囲での内部補償によって、外部補償が不要です。MAX17662は、ピーク電流モード制御アーキテクチャを採用しています。MAX17662は、PWM、パルス周波数変調(PFM)、または不連続導通モード(DCM)での動作が可能で、フル負荷および条件の下で高い効率性を実現できます。MAX17662には、低最小オンタイムが備わっており、高スイッチング周波数およびさらなる小型ソリューション・サイズが可能になります。-40℃~+125℃でのフィードバック電圧の安定化精度は±1.33%です。このデバイスは、16ピン(3mmx3mm)TQFNパッケージに格納されています。特徴
- 外付け部品数および総コストを削減
- ショートカットキーなし - 同期操作
- 内部補償部品
- オールセラミックコンデンサ、小型レイアウト
- DC/DCレギュレータの在庫数を削減
- 広い3.5V~36Vの入力
- 0.6V〜最大90%のVINの可変出力電圧範囲
- 温度範囲全体で最大2Aを供給
- 400kHz~2.2MHz調整可能周波数
- 16ピン、3mm x 3mm、TQFNパッケージでご用意あり
- 消費電力を低減
- 95%のピーク効率
- DCMモードによって軽負荷効率の向上が実現
- 効率の向上を目的とした2.4V~12Vという広いブートストラップ・バイアス入力(EXTVCC)
- 55μAシャットダウン電流
- 過酷な産業環境で信頼性の高い動作
- ヒカップモード過負荷保護
- プリバイアスされた出力電圧による調整可能な単調スタートアップ
- RESETを使用した内蔵出力電圧監視
- プログラマブルEN/UVLOスレショルド
- 過熱保護
- 高い工業周囲動作温度範囲(-40°C~+125°C)および接合部温度範囲(-40°C~+150°C)
アプリケーション
- 産業制御用電源
- 汎用POL
- 分散電源安定化
- 基地局電源
- ウォール変圧器調整
- 高電圧、シングルボードシステム
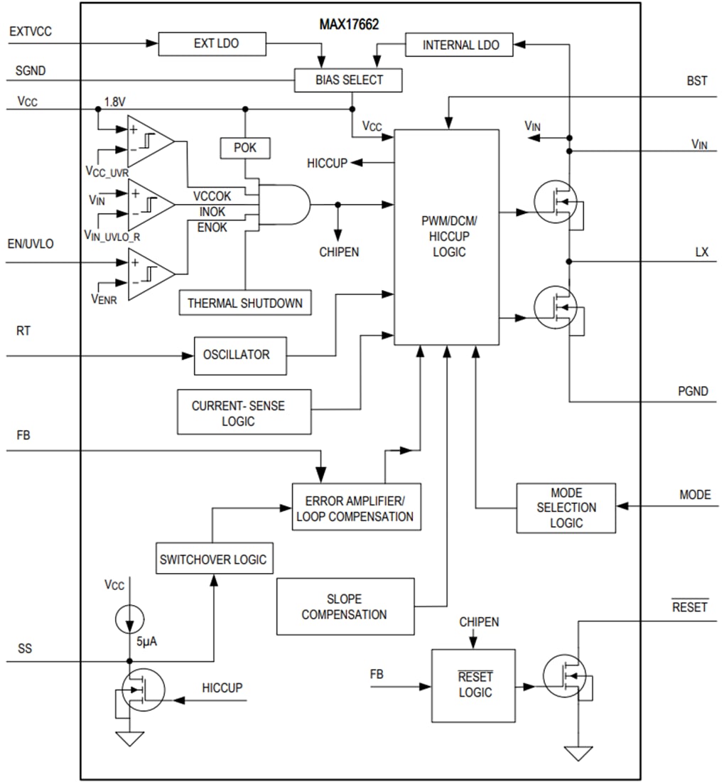
ブロック図
公開: 2019-12-12
| 更新済み: 2023-05-08
