Analog Devices / Maxim Integrated MAX17673A PMIC
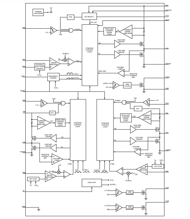
Maxim Integrated MAX17673AパワーマネジメントIC(PMIC)には、60V高電圧・高効率同期DC-DCバックレギュレータと5.5V高効率同期DC-DCバックレギュレータが集積されています。3台のレギュレータは、統合パワーMOSFETを実現しています。高電圧DC-DCバック・レギュレータは、4.5V~60V入力電圧範囲で動作するとともに、最大1.5Aまでの負荷電流をサポートし、0.9V~5.5Vで出力電圧の安定化を図ります。LVレギュレータは、入力電圧範囲2.7V~5.5Vで動作すると共に、最大1Aまでの負荷電流をサポートし、0.75V~4.8Vで出力電圧の安定化を図ります。MAX17673Aは、レギュレータ3台での他の影響を受けないピーク電流モード制御、ヒカップ・モード過電流保護、ENABLE入力、パワーOK信号が特徴です。このデバイスには、LVレギュレータで1MHz~4MHzで調整できるスイッチング周波数があります。また、HVレギュレータをプログラミングして、LVレギュレータの分数スイッチング周波数で動作させることができます。HVレギュレータには、調整可能ソフトスタート機能が搭載されています。他方、LVレギュレータには、内部固定ソフトスタートがプリセットされています。ユーザは、パルス周波数変調(PFM)または強制パルス幅変調(PWM)スキームのいずれかでのデバイス動作を選択できます。
このデバイスは、-40°C~+125°Cの温度範囲で動作し、工業用制御電源、基地局電源、高電圧シングル・ボード・システムに最適です。
特徴
- 外付け部品数および総コストを削減
- 高効率のための同期動作
- 内部補償によって広範な出力電圧範囲に対応
- 全セラミックコンデンサ、小型レイアウト
- 3つのDC-DCレギュレータを統合
- HVレギュレータ向けの4.5V~60Vという広い入力電圧範囲。LVレギュレータ向けの2.7V~5.5Vという入力範囲。
- HVレギュレータ向けに調節可能な0.9V~5.5Vの出力、LVレギュレータ向け0.75V~4.8Vの出力
- HVレギュレータ向け最大1.5Aの負荷電流、およびLVレギュレータ向け1A負荷電流
- 調整可能スイッチング周波数: HVレギュレータ向け250kHz~800kHz、LVレギュレータ向け1MHz~4MHz
- プログラマブルLV / HVスイッチング周波数比(2、3、4、5、6、7、8)
- HVバック用のEN/UVLOとLVレギュレータ用のEN
- 消費電力を低減
- PFMで550μAおよびPWMモード自己消費電流で10.2mA
- ピーク効率>92%
- 補助ブートストラップLDOによって効率の向上を実現
- 高軽負荷効率のためのPFMモード
- シャットダウン電流: 7.4μA
- 過酷な産業環境で信頼性の高い動作
- ピーク電流制限保護
- ヒカップモード過負荷保護
- ソフトスタートによって起動時の突入電流を低減(HVレギュレータ用に調整可能)
- POKH、POKA、POKBを活用した内蔵出力電圧監視
- プリバイアス負荷への単調な起動
- 過熱保護
- 動作温度範囲: -40℃~+125℃
アプリケーション
- 産業制御用電源
- FPGA/CPLD電源
- 分散電源レギュレーション
- 基地局電源
- 高電圧シングルボード・システム
ブロック図
公開: 2019-02-08
| 更新済み: 2023-04-21
