Analog Devices / Maxim Integrated MAX1769x オプトカプラ不要の絶縁型フライバックコンバータ
Analog Devices Inc. MAX1769x オプトカプラ不要の絶縁型フライバックコンバータは、固定周波数ピーク電流モード制御を使用する高効率フライバックコンバータです。これらのデバイスは、二次側整流器の導通中に一次側フライバック波形から絶縁された出力電圧を直接検出します。MAX1769xは、低RDSON 、76V、205mΩの内蔵されたnMOSFET一次スイッチを特徴としています。これらのフライバックコンバータは、4.2V~60Vの電源電圧範囲で動作するように設計されています。MAX1769xコンバータは、100kHz~350kHzのプログラム可能なスイッチング周波数範囲とEN/UVLOを提供し、希望する入力電圧で正確にパワーコンバータのオン/オフを行うことができます。ADI MAX1769xは、外部クロック同期をサポートしており、複数のコンバータを備えたシステムでの入力バス上の低周波ビートを防ぐことができます。これらのデバイスは、低EMIおよびスペクトラム拡散動作のためのプログラム可能な周波数ディザリング機能を備えています。MAX1769xコンバータは、出力整流ダイオードの順電圧降下の変動に対する温度補償を提供します。これらのコンバータは、堅牢なヒカップ保護、熱保護を特徴とし、-40°C~125°Cの温度範囲で動作します。代表的なアプリケーションには、絶縁型電源、産業およびテレコムアプリケーション、PLC I/Oモジュール、IGBTゲート駆動電源などがあります。
特徴
- 外付け部品と総コストを削減:
- オプトカプラおよび二次側エラーアンプが不要
- 最大20%の省スペース化
- 76Vおよび低RDS(ON)のMOSFETを内蔵
- 内部ループ補償(MAX17691A)
- ソフトスタート内蔵
- 電力損失を低減:
- 90%以上の効率性
- 最大7.5Wの出力電力
- 周波数フォールドバックにより軽負荷効率を向上
- 主要なシステムレベルの設計要件をサポート:
- 周波数ディザリングにより、低EMIおよびスペクトラム拡散動作をサポート
- スイッチング周波数同期
- CISPR22 ClassB EMI要件に準拠
- 過酷な環境でも信頼性の高い動作:
- オプションの出力電圧温度補償
- ヒカップ電流制限保護
- プログラム可能なEN/UVLO閾値
- 入力過電圧(OVI)保護(MAX17691A)
- 過熱保護
アプリケーション
- 絶縁型電源
- PLC I/Oモジュール
- IGBTゲート駆動電源
- 産業およびテレコムアプリケーション
仕様
- 周囲動作温度範囲:-40°C〜125°C
- ジャンクション温度範囲:-40°C〜150°C
- 電源電圧範囲:4.2V〜60V
- シャットダウン電流:2.5µA
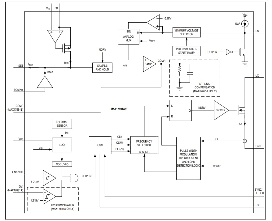
ブロック図
標準的なアプリケーション回路
公開: 2021-03-31
| 更新済み: 2025-05-22
