Analog Devices Inc. MAX17760降圧型DC/DCコンバータ
Analog Devices MAX17760降圧型DC/DCコンバータは、高効率・高電圧Himalaya同期デバイスで、4.5V ~ 76Vの入力電圧範囲で動作するMOSFETが集積されています。このコンバータは、最大300mAの電流を供給できます。出力電圧は、0.8V から最大の入力電圧(VIN)の88%までプログラム可能です。内蔵制御ループ補償によって、外付け部品が不要になります。MAX17760は、ピーク電流モード制御アーキテクチャが特徴です。このデバイスは、強制パルス幅変調(PWM)またはパルス周波数変調(PFM)制御スキームのいずれかでの動作が可能です。強制PWMモードは、周波数に敏感なアプリケーションを対象にすべての負荷で一定の周波数動作を実現しています。他方、PFMモードは、パルスをスキップすることで優れた軽負荷効率を実現しています。Analog Devices MAX17760降圧型DC/DCコンバータには、オープンドレインアクティブローRESET出力電圧モニタ、調整可能な入力不足電圧ロックアウト(EN/UVLO)、プログラム可能なソフトスタートが統合されています。-40°C ~ +125°Cでのフィードバック電圧調整精度は、+1.6% ~ -1.7%です。Analog Devices MAX17760は、コンパクトな12ピン(3mm x 3mm) TDFNパッケージでご用意があります。特徴
- 外付け部品数および総コストを削減
- ショットキーなし - 同期操作
- 内部補償部品
- オールセラミックコンデンサ、小型レイアウト
- DC/DCレギュレータの在庫数を削減
- 4.5V ~ 76Vの広い入力
- 調整可能な出力範囲は0.8VからVIN の88%まで
- 出力電流最大300mA
- 外部クロック同期を備えた200kHz、300kHz、400kHz、600kHzのプログラマブルスイッチング周波数
- 消費電力を低減
- 93%ピーク効率
- PFMモードによって軽負荷効率の向上を実現
- 効率性向上のためのEXTVCC入力
- シャットダウン電流: 5µA
- 過酷な産業環境で信頼性の高い動作
- 内蔵ヒカップモード過負荷保護
- プログラマブルソフトスタートとプリバイアス起動
- 出力電圧監視内蔵、アクティブローRESET
- プログラマブルEN/UVLOスレッショルド
- 過熱保護
- CISPR 22 クラス B準拠
- -40°C ~ +125°Cの広い周囲動作温度範囲、-40°C ~ +150°Cの接合部温度範囲
アプリケーション
- 産業制御用電源
- 汎用POL
- 分散電源安定化
- 基地局電源
- ウォール変圧器調整
- 高電圧シングルボードシステム
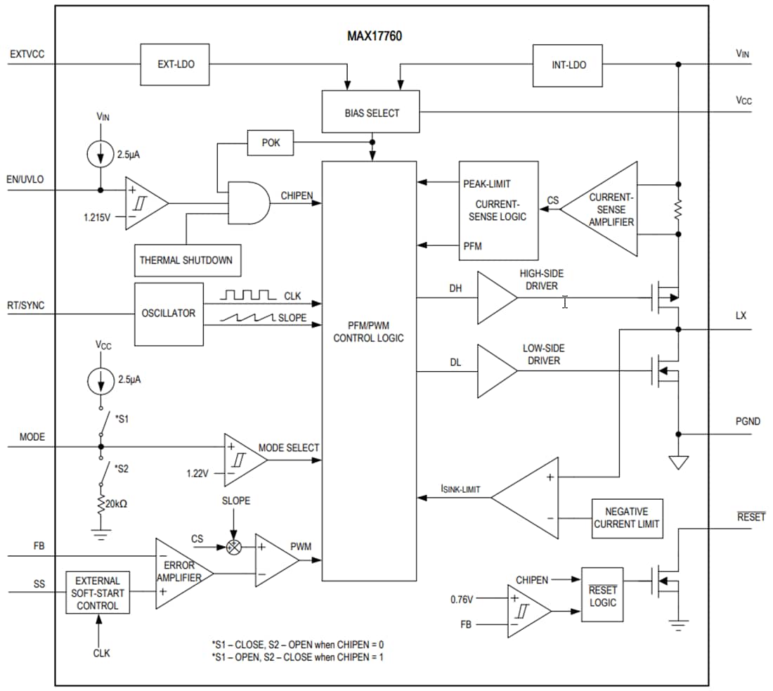
機能ブロック図
公開: 2020-07-10
| 更新済み: 2024-06-07
