アナログフロントエンドには、12チャンネル電圧測定データアクイジションシステムと高電圧スイッチバンク入力が組み合わされています。すべての測定は、各セルによって差動に行われます。フルスケール測定範囲は0 ~ 5.0Vで、0.2V ~ 4.8Vの使用可能範囲があります。高速逐次比較 (SAR) A/Dコンバータは、オーバーサンプリングによる14ビット分解能でのセル電圧をデジタル化するために使用されます。すべての12xセルは、142μs以下で測定できます。MAX17843には、セル測定の収集とエラーの訂正に2スキャン方式が採用されています。この2相アプローチは、温度全体およびシステムにおける極端なノイズに直面して、優れた精度をもたらします。
MAX17843には、外部サーミスタ部品の測定に使用できる2つの補助アナログ入力があります。負の温度係数(NTC)サーミスタは、補助アナログ入力で構成でき、モジュールまたはバッテリセル温度を正確に監視できます。熱過負荷検出器は、ICを保護するためにMAX17843のリニアレギュレータを無効にします。また、ダイ温度測定も利用可能です。
特徴
- リチウムイオン、NiMH、またはスーパーコンデンサ・セルを対象とした12セルバッテリ電圧測定
- 2x NTCサーミスタまたは絶対電圧測定用の補助アナログ入力
- ダイ温度の測定とアラート
- 高精度差動測定I/O
- ±2mV精度 @ +25°Cおよび3.6V
- 統合型12チャンネルデータアクイジションシステム
- ADCへの差動高電圧Mux
- 14ビットADC分解能(オーバーサンプリングあり)
- 12x 142μs以内で測定されたセル電圧
- モジュール電圧測定
- 冗長ADC
- バッテリ障害検出
- 過電圧および低電圧デジタル閾値検出
- ASILおよびFMEAを対応している障害検出用の強化された診断機能
- 12x内部セルバランシング・スイッチ
- 1スイッチあたり最大150mAに対応
- 緊急セル放電モード
- 統合型9V~65V入力リニアレギュレータ
- 統合型温度補償、電圧リファレンス
- 堅牢な差動デイジーチェーンUARTインターフェイス
- 単一のデイジーチェーンでの最大32x接続IC
- ダイレクトMCU接続との互換性あり
- 2Mb/s (最大)レートでの標準UARTバイト
- 4x汎用デジタルI/Oライン
- ASIL DおよびFMEA要件に対応している内蔵診断
- 超低消費電力
- スタンバイモード供給電流: 2.0mA (typ)
- シャットダウンモード漏れ電流:3µA
- -40°C~+125°C動作温度範囲(AEC-Q100 Grade 1)
- 64ピン、無鉛/RoHS準拠、10mmx10mm LQFPパッケージ
アプリケーション
- 48V車両バッテリモジュールまたはシステム
- バッテリパック
- 電動バイク
- 高電力バッテリバックアップシステム
- 高電圧電気自動車(EVS)
- ハイブリッド電気自動車(HEV)
- 電力ツール
- スーパーコンデンサバックアップシステム
ビデオ
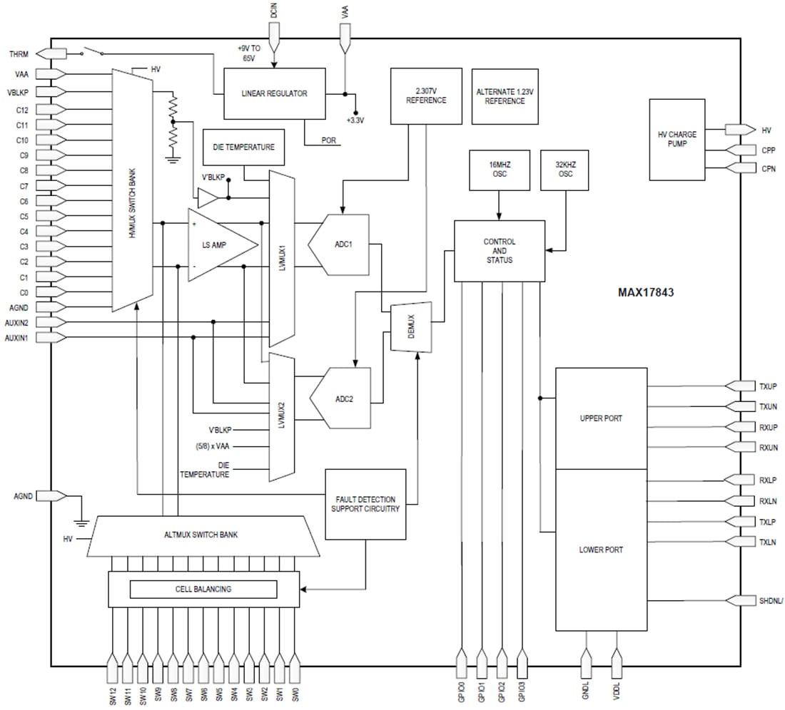
機能ブロック図
設計ソリューション
公開: 2020-01-10
| 更新済み: 2024-04-16

