Analog Devices / Maxim Integrated MAX20011x降圧コンバータ
Analog Devices MAX20011C、MAX20011D、MAX20011G高効率降圧コンバータは、3.0V~5.5Vの入力電圧範囲で動作し、0.5V~1.275Vの出力電圧範囲を供給します。このデバイスには、広い入力/出力電圧範囲および最大16Aまでのピーク出力電流を実現できる能力があり、オンボードポイントオブロードおよびポスト安定化アプリケーションに最適です。MAX20011C、MAX20011D、MAX20011Gは、負荷、ライン、温度範囲で ±1.5%の出力誤差を達成しています。これらの降圧コンバータは、2.2MHz固定周波数PWMモードが特徴で、優れたノイズ耐性と負荷過渡応答を目的としています。2.2MHz周波数オプションによって、すべてのセラミックコンデンサの使用が可能になり、外付け部品を最小限に抑えられます。拡散スペクトラム周波数変調によって、放射電磁放射を最小限に抑えられます。集積低RDS(ON) スイッチは、重負荷時の効率性を向上させ、ディスクリートソリューション向けにレイアウトをさらにシンプルにします。
このモジュールには、工場出荷時にプリセットされた出力電圧が備わっています。I2Cインターフェイスは、プログラム可能なスルーレートを活用した動的電圧調整をサポートしています。その他の機能には、プログラム可能なソフト起動、過電流、温度過昇保護があります。Analog Devices MAX20011C、MAX20011D、MAX20011G降圧コンバータは、3.5mm x 4.0mm、17ピン・サイドウェッタブルFC2QFNパッケージで販売されています。
特徴
- 高効率DC/DCコンバータ
- 最大16Aまでのピーク出力電流
- MAX20011B: 12A
- MAX20011C: 16A
- MAX20011D: 12A
- 差動リモート電圧センシング
- 動作電源電圧:3.0V~5.5V
- I2C制御出力電圧(6.25mVステップで0.5V~1.275V)
- 優れた負荷過渡性能
- プログラマブル補償
- 2.2MHzまたは1.1MHz動作
- 出力電圧精度:±1.5%
- リセット出力
- 電流モード、強制PWM動作
- ASIL D compliant
- 冗長リファレンス
- BIST診断
- I2CでのPEC
- プログラム可能なOV/UV(±1%精度)
- 温度過昇と短絡の保護
- 3.5mm x 4.0mm 17ピン・サイドウェッタブルFC2QFN
- -40°C~+125°Cのグレード1車載温度範囲
アプリケーション
- 車載用ADASシステム
- SoCコア電力
ビデオ
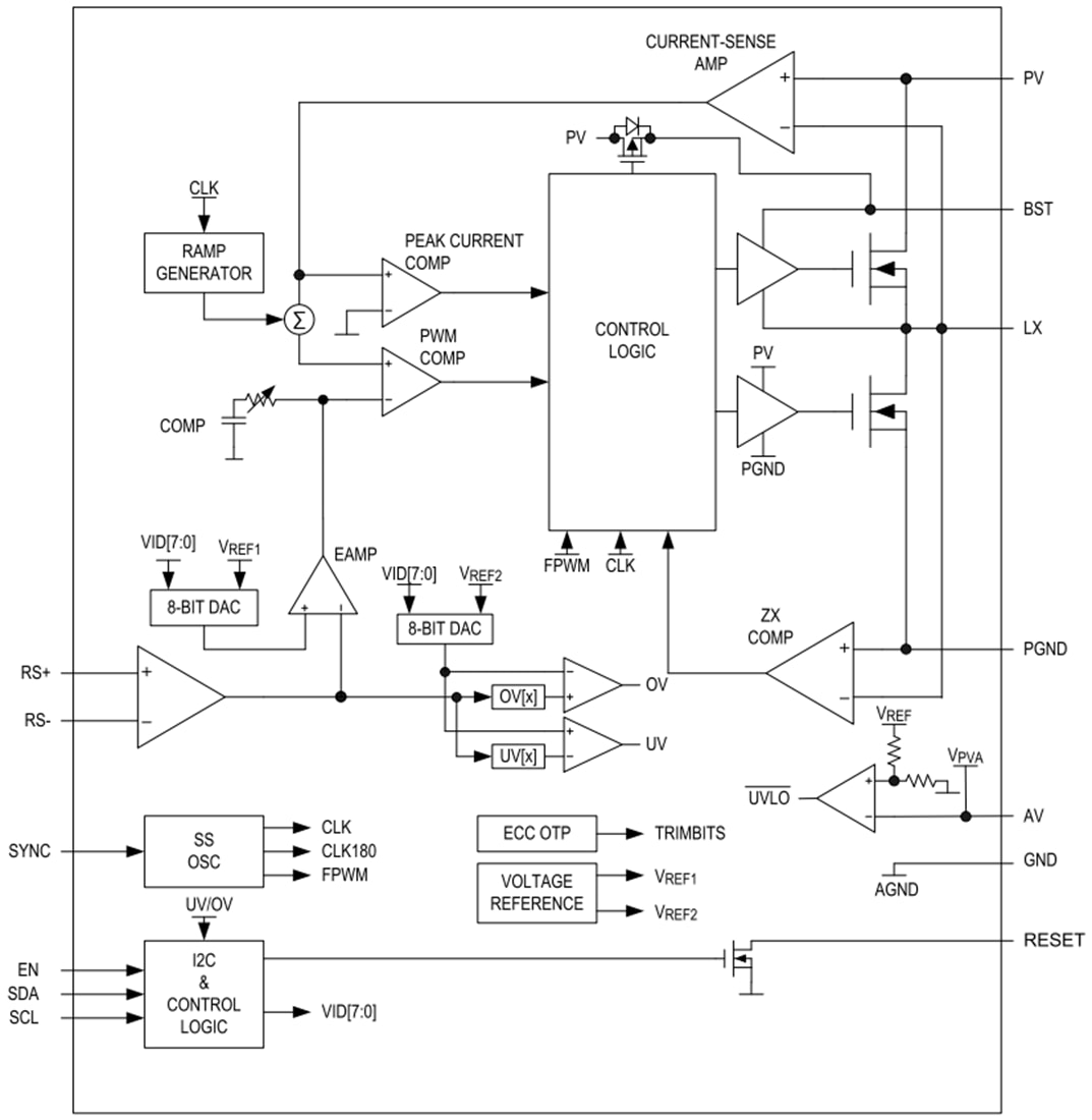
ブロック図
公開: 2021-11-08
| 更新済み: 2024-06-10
