Analog Devices Inc. MAX20029x車載用PMIC
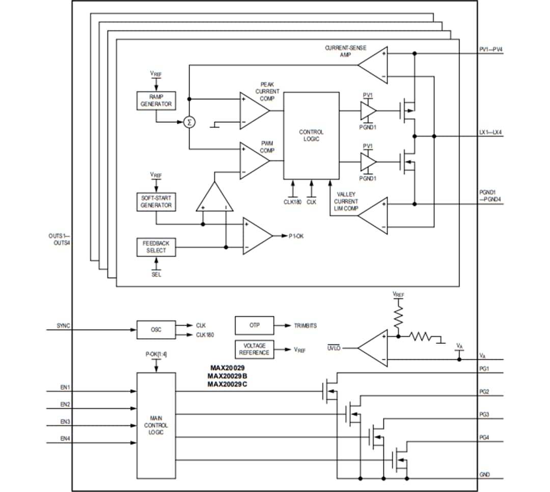
Analog Devices Inc. MAX20029x車載用PMIC(パワーマネジメントIC)には、4つの低電圧、高効率、降圧型DC/DCコンバータが統合されています。4つの各出力は0.7V~4.0Vの範囲に出荷時設定、または抵抗で設定可能です。MAX20029は、4つの1.5Aチャンネルを備えています。MAX20029Bには、1.5A/3.0Aチャンネル2個があります。MAX20029Cは、最低0.7V (min) という低VOUT の1.5Aチャンネルを4つ備えています。MAX20029Dは、2つの0.5A/1.5Aチャンネルを備え、チャンネル1と2を組み合わせることでシングル2A/3Aチャンネルを備えます。これらのPMICは3.0V~5.5Vで動作するため、車載POL(ポイントオブロード)およびポストレギュレーション・アプリケーションに最適です。MAX20029、MAX20029B、MAX20029C、MAX20029Dは固定周波数PWMモード動作を備え、スイッチング周波数は2.2MHzです。高周波動作によって、オールセラミックコンデンサ設計と小型サイズの外付け部品を実現できます。低抵抗の内蔵スイッチによって、クリティカルなインダクタンスを最小限に抑制しながら、重負荷で高効率を実現するため、ディスクリートソリューションに比べてレイアウトが容易になります。内部電流検出およびループ補償は、基板スペースとシステムコストを削減します。
PMICには、放射放出を軽減する拡散スペクトラムのオプションがあります。4つのバックコンバータの2つは、内部クロックを使用して180°逆位相で動作します。この機能によって必要な入力容量が低減され、EMIも向上します。4台のバックコンバータはすべて、AM帯域外で一定のPWMモードで動作します。PMICは、外部クロックに同期するための同期入力に対応します。
MAX20029、MAX20029B、MAX20029C、MAX20029Dは、個別のイネーブル入力とパワーグッド/リセット出力、および出荷時設定可能なPG時間を提供します。
これらのデバイスは、入力過電圧保護、入力低電圧ロックアウト、サイクル単位の電流制限、過熱シャットダウンなど、複数の重要な保護機能を提供します。MAX20029、MAX20029B、MAX20029C、MAX20029D PMICは、エクスポーズドパッドを備えた28ピンTQFNパッケージで提供され、オートモーティブ・アプリケーション向けのAEC-Q100認定済みです。
特徴
- クワッド降圧型DC-DCコンバータ(集積FET搭載)
- MAX20029: 1.5Aチャンネル最大4個
- MAX20029B/MAX20029D:最大1つの3A + 2つの1.5Aチャンネル
- MAX20029C:最大4つの1.5Aチャンネル、0.7V VOUT
- 入力電圧範囲3.0V~5.5V
- 1.0V~4.0V固定または調整式出力電圧
- 2.2MHzスイッチング周波数
- 車載用EMI性能を向上させるように設計済
- 強制PWM動作
- 2チャンネル180°位相外
- 同期入力
- スペクトラム拡散オプション
- ソフトスタートおよび供給シーケンシングによって突入電流を低減
- シーケンシングを簡素化する個々のイネーブル入力と電源正常出力
- OV入力電圧モニタリング
- 温度過昇と短絡の保護
- 動作温度範囲 : -40°C~+125°C
- TQFN-EP-28パッケージ (5.0mm × 5.0mm x 0.8mm)
- AEC-Q100準拠
- 鉛フリーおよびRoHS準拠
アプリケーション
- 車載用POL (Point of Load) 電源アプリケーション
- DC分散電源システム
標準アプリケーション回路
ブロック図
公開: 2020-04-10
| 更新済み: 2024-05-10
