Analog Devices Inc. MAX20030/1車載用降圧型コントローラ
Analog Devices Inc. MAX20030およびMAX20031車載用降圧型コントローラは、2.2MHzデュアル同期降圧型コントローラで、統合プリブーストコントローラと低IQ LDOが搭載されています。プリブーストコントローラを使用すると、VOUT1 およびVOUT2 は、2Vのバッテリ入力までコールドクランク動作中に安定化を維持できます。MAX20030およびMAX20031には、180°の位相外で動作する高電圧同期降圧型コントローラ2台が搭載されています。これらのデバイスは、3.5V ~ 42.0Vの入力電圧供給で動作し、97%デューティサイクルで実行することによってドロップアウト状態で動作できます。これらの降圧コントローラは、自動車のコールドクランクまたはエンジンのアドリングストップ状態時のような広い入力電圧範囲で動作するミッドパワー~ハイパワー要件をともなうアプリケーションに最適です。MAX20030およびMAX20031降圧コントローラは、最高2.2MHzまでの周波数で動作し、小型外付け部品の使用が可能になり、出力リップルの低減をし、AM帯干渉の排除を実現できます。スイッチング周波数は、220kHz ~ 2,200kHzの間でレジスタで調整できます。SYNC入力プログラム可能性によって、最適化された性能のための3つの周波数モードが実現します:強制固定周波数動作、超低自己消費電流が備わったスキップモード、外部クロックへの同期。これらのデバイスには、周波数変調のためのスペクトラム拡散ピンがあり、EMI干渉を最小限に抑えることができます。
MAX20030およびMAX20031は、パワーOKモニタおよび過電圧ならびに不足電圧ロックアウトが特徴です。保護機能には、サイクル・バイ・サイクル電流制限と熱シャットダウンがあります。これらの降圧コントローラは、熱的に強化されたTQFN48パッケージで販売されており、露出パッドが備わっています。
特徴
- 厳格なOEMモジュール消費電力と性能仕様に適合
- 17µA IQ (3.3Vバック搭載)
- 25µA IQ (5Vバック搭載)
- 25µA IQ (LDOオン搭載)
- すべてのコントローラが有効になっている65µA IQ
- 高電流能力と効率性を目的とした同期ブーストコンバータを活用したクランク対応設計が可能
- EMI低減機能によって、広い入力電圧範囲を犠牲にすることなく敏感な無線帯域との干渉を低減
- 50ns ( 標準)最短オン時間によって、2MHzでの自動車バッテリからの3.3V出力のスキップのない動作を保証
- 強制固定周波数PWM動作
- 220kHz~2MHzの間で構成可能な抵抗周波数
- ピンを選択できるスペクトラム拡散
- 集積・熱強化パッケージによってボードのスペースとコストを節約
- 同期ブーストコントローラとHV 200mA LDOが搭載されたデュアル2.2MHz降圧コントローラ
- 強制固定周波数とスキップモードが備わった電流モードコントローラ
- 熱強化型7mm x 7mm、48ピンTQFNパッケージ(露出パッド付き)
- システムの信頼性を向上させる保護機能
- 供給過電圧と低電圧ロックアウト
- 温度過昇と短絡保護
アプリケーション
- インストルメントパネル
- 分散DC電力システム
- ナビゲーションと無線ヘッドユニット
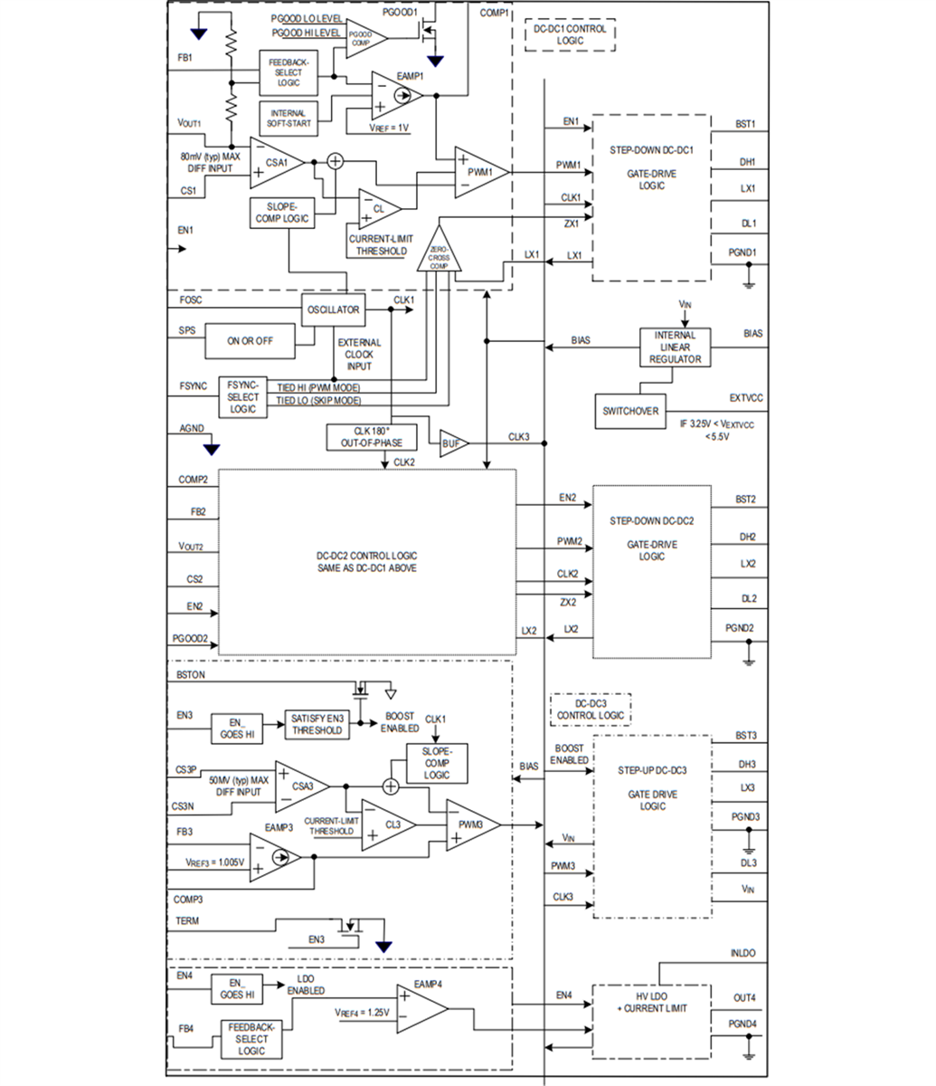
ブロック図
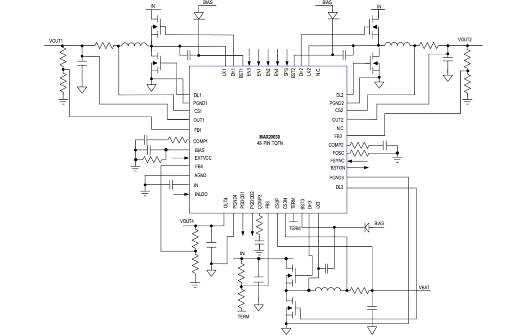
標準アプリケーション回路
公開: 2020-07-10
| 更新済み: 2024-06-03
