Analog Devices Inc. MAX20057 36V昇圧コントローラ
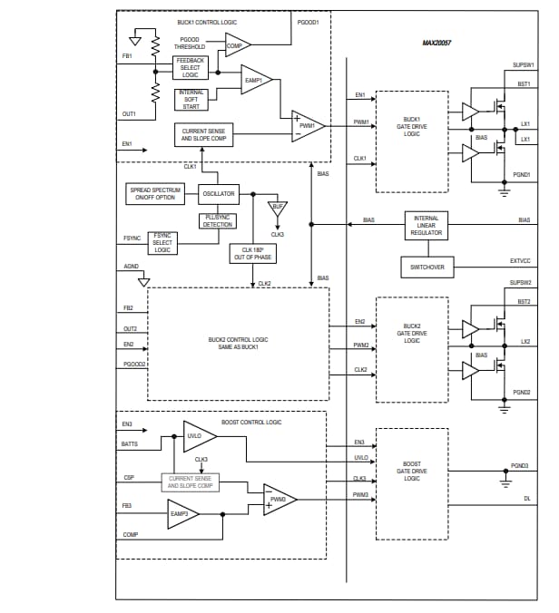
Analog Devices Inc. MAX20057 36Vブーストコントローラは、高度に統合されたトリプル出力PMICで、車載アプリケーション用に設計されています。MAX20057には2台の同期バックコンバータと1台の非同期ブーストコントローラが搭載されており、2.1MHzおよび400kHzオプションがあります。ブーストコントローラは、バックコンバータに電力を供給し、最低2Vバッテリ入力のコールドクランク動作時に安定化を維持できます。ICは、3.5V~36Vの入力電圧供給で動作し、95%デューティサイクルで実行することによってドロップアウト状態で作動できます。ADI MAX20057 36Vブーストコントローラには、最大2.1MHzの高スイッチング周波数が備わっており、小型外付け部品、出力リップルの低減が可能になり、AM帯域干渉がありません。保護機能には、サイクル・バイ・サイクル電流制限と熱シャットダウンがあります。MAX20057ブーストコントローラは、-40°C~+125°Cの車載温度範囲での動作に指定されています。
特徴
- 厳しいOEMモジュールの消費電力と性能仕様に適合
- 5V降圧オン時の電源電流:10μA
- 3.3V降圧オン時の電源電流:8μA
- 全レギュレータオン時の電源電流:30μA
- クランク対応設計が可能
- バッテリ電圧が2Vまで低下するコールドクランク時も出力電圧はレギュレーション状態を維持
- 広い入力供給範囲:3.5V〜36V
- EMI低減機能により、広い入力電圧範囲を犠牲にすることなく敏感な無線帯域への干渉を抑制
- 20ns(代表値)の最小オン時間により、3.3V出力でスキップなしの動作を保証(2.1MHz時)
- スペクトラム拡散オプション
- 位相ロックループ (PLL) 周波数同期
- 高集積・熱特性強化型パッケージにより基板スペースとコストを削減
- 2つの2.1MHz降圧コンバータと1つの非同期整流式昇圧コントローラを内蔵
- 強制固定周波数およびスキップモードを備えた電流モードコントローラ
- 熱特性強化型5mm x 5mm、28ピンTQFN EPパッケージ
- システムの信頼性を向上させる保護機能
- 供給低電圧ロックアウト
- 過温度と短絡保護
アプリケーション
- 車載用スタート/ストップシステム
- インストルメントクラスタ
- 分散型DC電源システム
- ナビゲーションと無線ヘッドユニット
ブロック図
公開: 2020-12-23
| 更新済み: 2024-08-12
