Analog Devices / Maxim Integrated MAX20336EVKIT評価キット

Maxim Integrated MAX20336EVKIT評価キットは、MAX20336 Beyond-the-Rails DPSTアナログスイッチの実証に使用されます。この組立とテストが完了している回路ボードには、MAX20336ENT+がインストールされています。このキットは、さまざまな電源からVCCEN ピンに給電できます。ICは、MAX20336キットのTP12から外部給電できます。

特徴

  • USBパワーオプション
  • テスト用のSMA接続
  • 実証済みPCBレイアウト
  • 完全実装および試験済み

キット内容

  • MAX20336 IC Part搭載EVキットボード

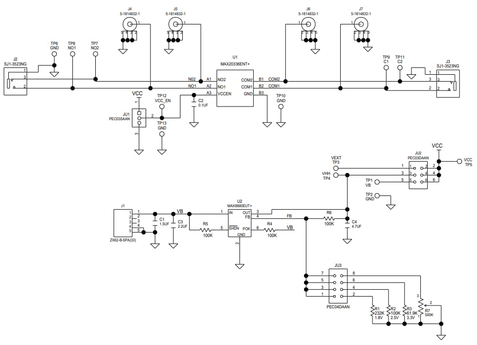
回路図

回路図 - Analog Devices / Maxim Integrated MAX20336EVKIT評価キット
公開: 2019-04-25 | 更新済み: 2023-04-19