Analog Devices / Maxim Integrated MAX20446C車載用6チャンネルバックライドドライバ
Analog Devices Inc. MAX20446C車載用6チャンネル対応バックライトドライバは、車載用ディスプレイおよび統合電流出力用のブーストコントローラが特徴で、それぞれ130mAまでLED電流をシンクできます。ADI MAX20446Cは、4.5V~36Vの広い入力電圧範囲を受け入れ、自動車のロードダンプ事象に耐えることができます。内部電流モードスイッチングDC-DCコントローラは、ブーストまたはSEPICトポロジに対応しており、400kHz~2.2MHzの周波数範囲で動作します。集積拡散スペクトラムは、EMIの低減に貢献します。適応型出力電圧調整スキームによって、LED電流シンク経路での電力損失が最小限に抑えられます。特徴
- 広い電圧範囲動作
- 起動後に最低4V供給で動作
- 最高52Vまでの負荷ダンプに耐える
- 高集積化
- ブーストコントローラをはじめとする完全6チャンネルソリューション
- マイクロコントローラの介入を必要とせず、すべての設定を外付け部品を使用して実施
- 堅牢で低EMI
- 拡散スペクトラム発振器
- 位相シフト
- 400kHz~2.2MHzスイッチング周波数範囲
- ハイブリッドあるいはPWM専用調光を実現できる多目的調光スキーム
- ハイブリッド調光を使用した調光比> 10000:1
- 200Hzで10000:1調光比(PWM調光を使用)
- 完全障害保護
- LED開/ショート検出と保護
- ブースト出力不足電圧と過電圧
- サーマルシャットダウン
- コンパクト(4mm x 4mm)24ピンTQFNパッケージ
アプリケーション
- インフォテイメント・ディスプレイ
- セントラルインフォメーションディスプレイ
- 計器クラスタ
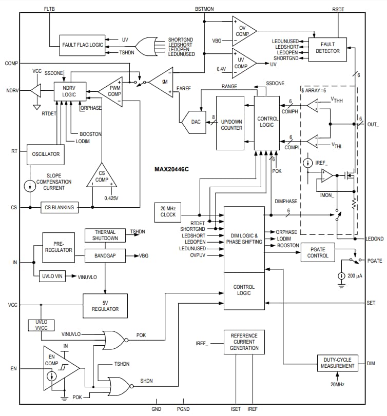
ブロック図
公開: 2021-04-13
| 更新済み: 2023-04-13
