Analog Devices MAX20457評価キットには、MAX20457ATIE/VY+がインストールされています(5V、3.3V、2.1MHz)。このキットを使用すると、最小限の部品変更で他のMAX20457の型式を評価することもできます。
特徴
- デュアル高電圧高圧コンバータ(ボード領域の占有を最小限に抑える集積パワーFET搭載)
- 3.5V~40V入力供給範囲
- 5V出力最大3.5A出力電流を実現するBuck1
- 3.3V出力最大2A出力電流を実現するBuck2
- 外付け抵抗器使用して1V~14Vの間で調整できるバック出力電圧
- バックコンバータ用の±2%出力電圧精度
- 選択可能なBuck2入力ソース
- 周波数同期入力
- 独立したイネーブル入力
- 電圧モニタリングPGOOD出力
- 評価の簡素化を目的としたキーノードのジャンパと試験ポイント
- 実績のあるPCBレイアウト
- 完全に組立済、テスト済
必要な機器
- MAX20457 EVキット
- 15V、7A DC電源(PS1)
- 電圧計2台(VM1、VM2)
- 2つの電子負荷(EL1、EL2)
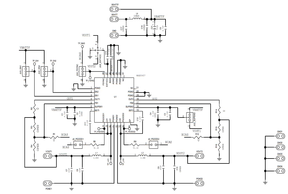
回路図
公開: 2021-02-08
| 更新済み: 2023-04-14

