Analog Devices Inc. MAX20463車載用USB Type-A to Type-Cコンバータ
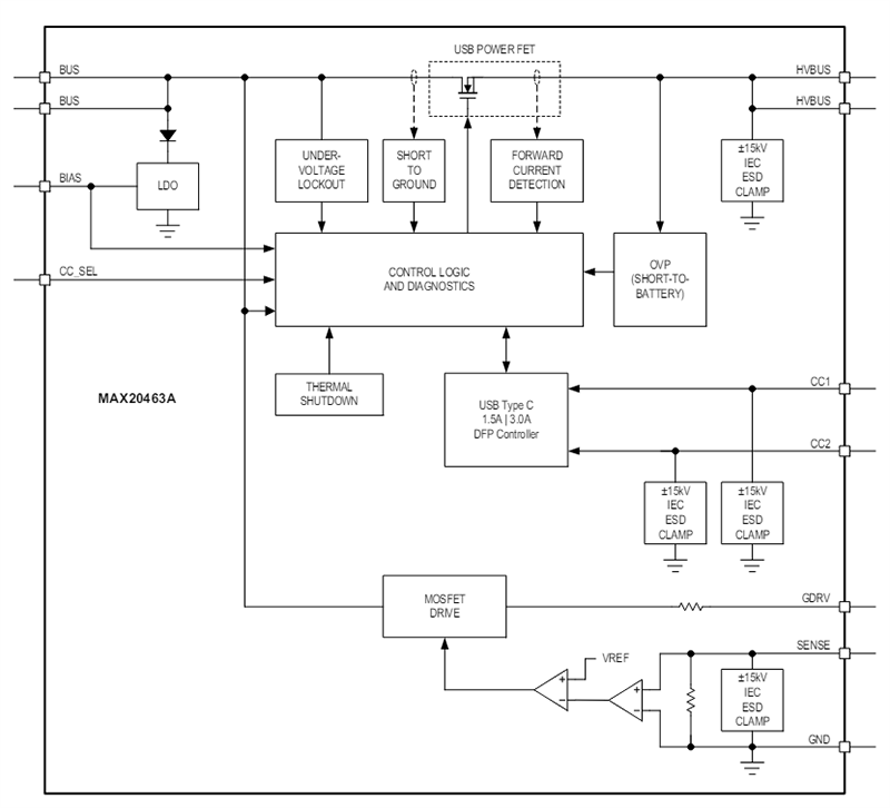
Analog Devices MAX20463車載用USB Type-A to Type-Cコンバータは、 既存のUSB-AヘッドユニットキャプティブケーブルポートをヘッドユニットUSB Type-C ™ キャプティブケーブルポートに変換するために使用されます。MAX20463は、車載モジュール用に設計されています。ケーブルの末端で既存の上流ヘッドユニットUSB-AソリューションおよびUSB-Aキャプティブケーブル筐体を再利用できます。 デバイスの保護機能には、CC1/CC2での ±15kV/±8kV IEC 61000-4-2 ESD、およびSENSE/HVBUSでのバッテリへの短絡(18V)が備わったIEC ESDがあります。MAX20463Aは、カーバッテリへの乗員ケーブルシールドの短絡をセンシングし、ポートへの損傷を防止します。地絡およびバッテリ短絡に対する耐性もHVBUS信号で実現されており、既存のヘッドユニットUSB-A充電器/プロテクタと連携して動作するように定義されています。これによって、協調的な故障検出、ヘッドユニットのUSBホストへのレポートが可能になります。デバイスは、USB Type-C仕様に準拠しています。
ADI MAX20463は、小型3mm x 3mm、12ピンTDFNパッケージでご用意があり、非常に少数の外付け部品を使用しています。
特徴
- 集積VBUS 放電に準拠したUSB Type-C R1.3
- USB Type-C 1.5Aおよび3.0A DFPコントローラ
- VBUS 降下によるType-C電流制限の低減
- ヘッドユニットプロテクタとの協調的な保護を目的とした設計
- 上流プロテクタが処理するためのHVBUSでのバッテリへの短絡ならびに接地短絡に対する耐性
- 正確なUSBバス順方向電流閾値
- 低RON 28mΩ(標準)USBパワースイッチ
- AEC-Q100準拠
- 車載環境での車両システムとポータブルデバイスの安全性を維持する堅牢な設計
- オプションのバッテリ短絡検出と外部FET制御
- 保護されているCC1およびCC2出力でのバスへの短絡保護
- IEC 61000-4-2 Level-4 ESD保護(HVBUS、CC1、CC2、SENSE)
- 3mm x 3mm 12ピンTDFNパッケージ
- 動作温度範囲:-40°C~+105°C
アプリケーション
- 車載用下流USBモジュール
- 車載用USBキャプティブケーブル筐体
簡略ブロック図
機能ブロック図
公開: 2020-06-08
| 更新済み: 2024-05-29
