Analog Devices Inc. MAX22007EVKIT評価キット
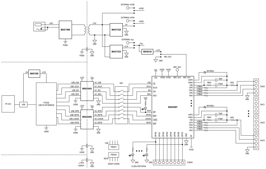
Analog Devices MAX22007EVKIT評価キットは、産業4チャンネル構成可能アナログ出力ICであるMAX22007の評価に貢献するように設計されています。MAX22007EVKITは、USBポートを介してPC上で実行するグラフィカル・ユーザー・インターフェイス(GUI)と通信を行います。この評価キットは、SPI通信用にボード上にFT2232 USB-SPIブリッジを備えていますが、外部SPIマスタがPMOD1コネクタを介してMAX22007と通信することも可能です。ボード上のDC/DCコンバータは、MAX22007に電源を供給するために必要な電源電圧(HVDD用に+15V、VDD 用に+3.3V、HVSS用に-2V)を生成します。複数のMAX22007EVKITボードを、PMOD1およびPMOD2コネクタを使用してデイジーチェーンモードで接続できます。特徴
- 2つのアクセス可能モード
- アナログ出力電圧モード
- アナログ出力電流モード
- 負荷インピーダンス検出をサポート
- すべてのGPIOへのアクセス
- Windows® 10互換ソフトウェア
- 実績のあるPCBレイアウト
- 組立と試験を完了
アプリケーション
- ビル・オートメーション・アナログ出力
- 構成可能なアナログ出力カード
- 工場オートメーションのアナログ出力
- プロセスオートメーション
- プログラマブルロジックコントローラ
必要な機器
- MAX22007EVKIT評価キット
- Micro-USBケーブル
- 24V、1A DC電源
- Windows 10 PC(スペアのUSBポート搭載)
- マルチメータ
ブロック図
その他の資料
公開: 2020-10-20
| 更新済み: 2024-07-15
