Analog Devices Inc. MAX22088ホームバストランシーバ
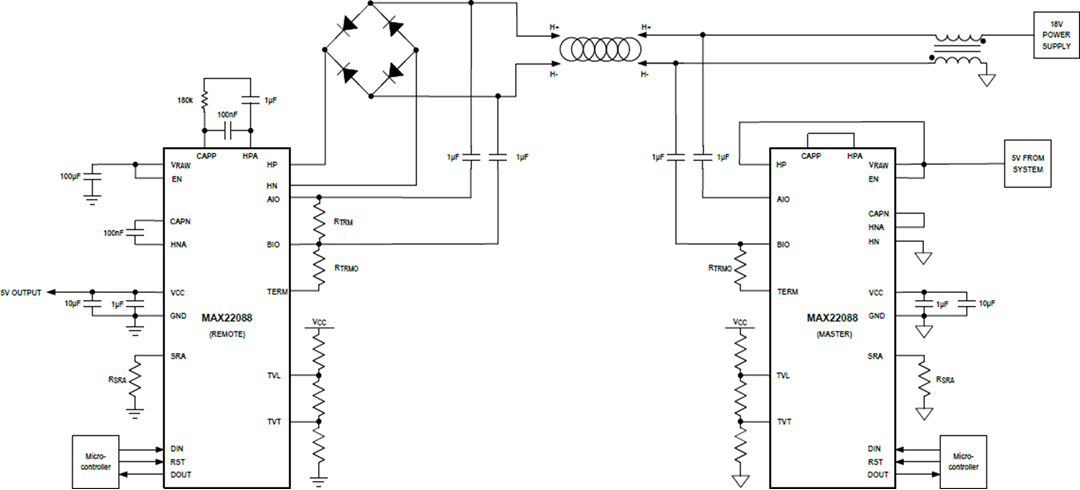
Analog Devices Inc. MAX22088ホームバストランシーバは、ホームバス規格に準拠しており、データと電力を1対の配線で伝送し、外付け部品の必要性を最小限に抑えます。このシリーズは、バス駆動アプリケーションで通常必要とされる大きな外部ACブロッキングインダクタを排除し、信号品質を向上させることで、より長いケーブルの使用を可能にします。このモジュールには、システム負荷を最大70 mAまで供給する統合型5Vリニアレギュレータが搭載されており、200kbps以上の速度で電力とデータの伝送をサポートします。動的ケーブルターミネーションは、高データレートのアプリケーションにおいて信号品質を向上させます。MAX22088のレシーバヒステリシス、レシーバスレッショルド、およびドライバスルーレートは調整可能です。 統合保護により、過酷な産業環境でも信頼性の高い通信が確保されます。 Analog Devices Inc. MAX22088 Homebusトランシーバは、統合型のアクティブインダクタを備え、24ピンの4mm x 4mm TQFNパッケージに収められています。特徴
- BOMとフットプリントを削減できる高集積
- 大きなACブロッキング・インダクタの必要性を排除
- コンパクトな4mm x 4mm TQFNパッケージ
- 70mA以上のシステム負荷を対象とした外部DC-DCコンバータをサポート
- 柔軟性に富んだ設計が実現するコンフィグラビリティ
- レシーバ閾値を調整可
- スイッチドケーブル端子
- 送信信号でのスルーレートを調整可
- 大きなレシーバヒステリシス
- 9600bps ~ 200kbps以上のデータレート
- ダイナミックケーブル終端によって、高速アプリケーションの信号品質を改善
- パワー
- ライン入力電圧:最大24V
- 負荷出力電流:最大200mA
- 1kmケーブルを介したデータレート200kbps
- 2線式データオーバーパワー通信によって、ケーブルとコネクタコストを削減
- 堅牢な通信のための組込みプロテクション
- IEC 61000-4-2 ±8kV接触および±15kV空隙ESD保護
- IEC 61000-4-5 ±1kVサージ保護(外付け部品を選択可)
- 動作温度範囲: -40°C~+105°C
- サーマルシャットダウン保護
- データオーバーパワー
- ケーブルコストを節約するシングルペア
- 極性に依存せず、簡単な設置を実現
- 平衡DC用のAC結合ライン
- 複雑なトポロジをサポートするマルチノード
- ケーブル長が長く(最大1km)、マルチドロップ(標準32xノード、最大256x)、低速(<200kbps)、費用対効果の高い通信
- 小型フォームファクタ、優れたシグナルインテグリティ、堅牢なデータオーバーパワーソリューションを実現
アプリケーション
- HVAC
- データオーバーパワー
- デジタル看板
- リモートモニタリングとセンシング
ビデオ
簡素化されたホームバスシステム
その他のリソース
公開: 2020-05-11
| 更新済み: 2024-08-23
