Analog Devices / Maxim Integrated MAX22191評価キット

Maxim Integrated MAX22191評価キットは、組立とテストが完了している回路ボードで、MAX22191デジタル入力(DI)デバイスの完全機能性を評価するように設計されています。この評価キットは2個の回路が特徴で、1個は24Vデジタル入力信号用、もう1個は48V入力信号用です。MAX22191キットは、電流シンク構成または電流ソース構成のいずれかでMAX22191アイソレータを評価します。このインターフェイス開発評価キットには、実証されたPCBレイアウトがあります。

特徴

  • 簡単な評価用の24V回路と48V回路
  • 実績のあるPCBレイアウト
  • 完全に組立済、テスト済

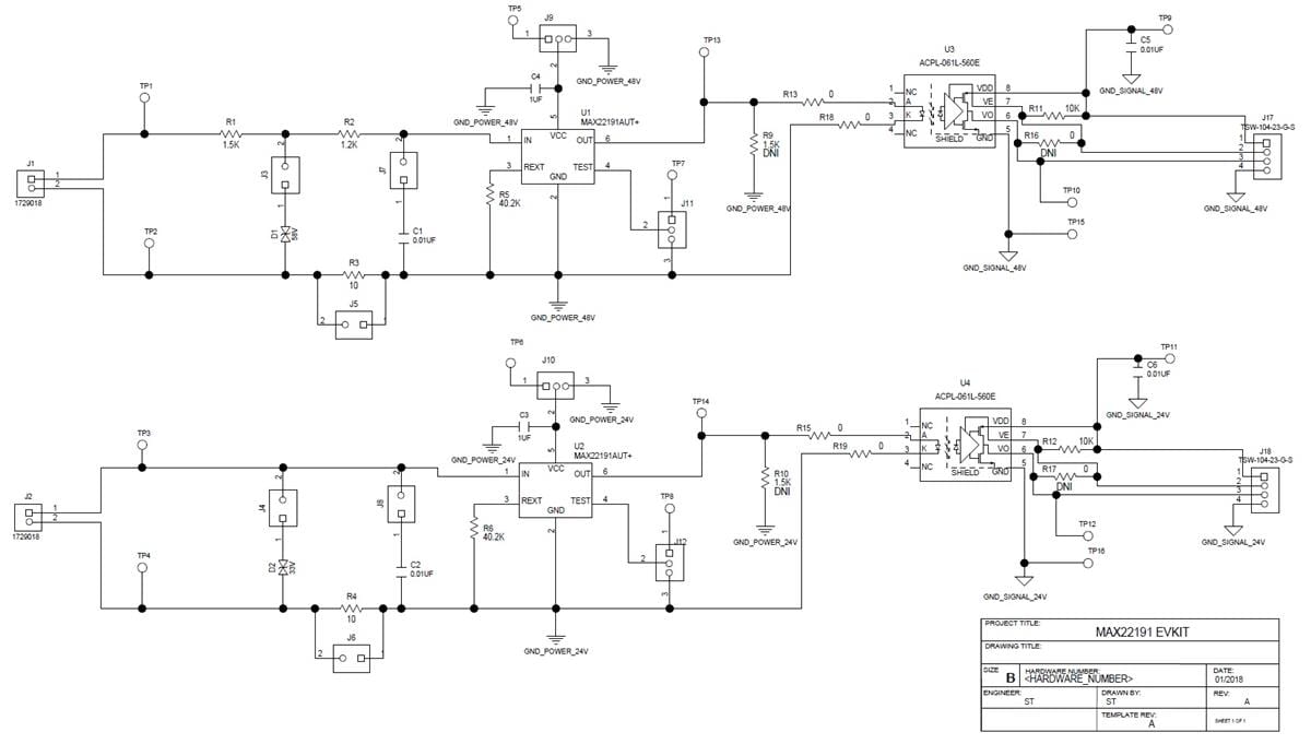
MAX22191評価キットの回路図

回路図 - Analog Devices / Maxim Integrated MAX22191評価キット
公開: 2018-06-12 | 更新済み: 2023-04-12