Analog Devices / Maxim Integrated MAX22195高速オクタル産業用デジタル入力
Maxim MAX22195高速オクタル産業用デジタル入力は、8つの24V産業用デジタル入力を、8つのCMOS互換パラレル出力に変換します。入力から出力への伝播遅延は、すべてのチャンネルに300ns未満です。各デジタル入力の電流リミッタによって、従来の抵抗性入力に比べて消費電力が大幅に削減されます。これらの電流リミッタの正確さによって、IEC 61131-2規格に準拠しながら、電力損失が最小限に抑えられます。電流設定レジスタを使用すると、MAX22195をType 1、Type 2、またはType 3入力用に構成できます。さらに、MAX22195には、無電界フィールド側LEDドライバがあり、追加の電力消費なしでIEC 61131-2のインジケータ・ライト要件を満たしています。特徴
- 高速、産業用デジタル入力
- 300ns最大伝播遅延
- ±10ns最大チャンネル間スキュー
- 同時信号配信のためのパラレル出力
- 高集積によってBOM数および基板スペースを削減
- フィールド電源から直接動作(7V~65V)
- 3.3Vまたは5Vロジックとの互換性あり
- 5mmx5mm、32-TQFNパッケージ
- 低電力および低発熱
- 低自己消費電流(最大1.2mA)
- 精密な入力電流制限
- 無電力のフィールド側LEDドライバ
- 内蔵診断機能を用いたフォールトトレランス
- フィールド側電源モニタ搭載
- 過温度モニタ搭載
- 電流設定レジスタ・モニタ
- 高いコンフィギュレーション能力よって、広範なアプリケーションを実現
- 構築可能なIEC 61131-2入力タイプ1、2、3
- 0.56mA~3.97mAの設定可能な入力電流制限
- 堅牢な設計
- 最低1kΩレジスタを使用した±1kVサージ耐性
- 最低1kΩレジスタを使用した±8kV接触ESDおよび±15kV空中ギャップESD
- -40°Cから+125°Cの動作周囲温度
アプリケーション
- プログラマブルロジックコントローラ
- 産業用オートメーション
- プロセスオートメーション
- ビルオートメーション
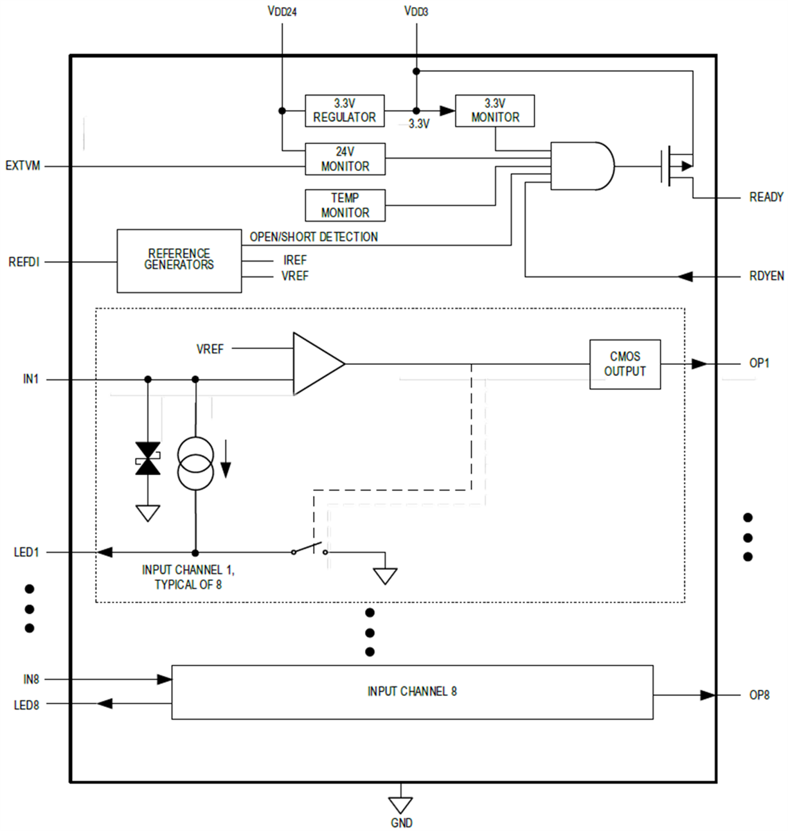
機能/ブロック図
公開: 2018-08-29
| 更新済み: 2023-04-25
