Analog Devices / Maxim Integrated MAX22199EVKIT評価キット
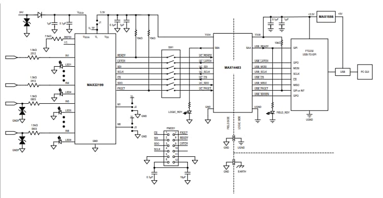
Analog Devices MAX22199EVKIT評価キットは、MAX22199オクタル産業用デジタル入力の評価に必要なハードウェアとソフトウェアを供給します。MAX22199オクタル産業用デジタル入力は、8つの24V電流シンク産業用入力を、3V~5.5Vロジックとインターフェイス接続するシリアル化されたSPI互換出力に変換します。IEC 61131-2に準拠した産業用デジタル入力デバイスは、8つのType 1/Type 3デジタル入力または4つのType 2デジタル入力として動作します。Analog Devices MAX22199EVKIT評価キットは、USBポートからPCからコマンドを受信し、ソフトウェアと搭載MAX22199の間の通信を目的にSPIインターフェイスを作成します。このキットには、MCUまたはFPGAといった外部ホストデバイスとのSPI通信を目的としたPmod™互換コネクタがあります。グラフィカルユーザインターフェイス(GUI)は、ターゲットデバイスとPCとの間の通信を実現します。MAX22199EVKITは、IEC 61000-4-2、IEC 61000-4-4、IEC 61000-4-5に準拠したESD、EFT、サージの過渡耐性試験をサポートするように設計されています。
特徴
- MAX22199の簡単な評価
- EVキットの論理サイドはUSB駆動
- IEC 61131-2 Type 1、3向けに構成
- MAX14483を使用したガルバニック絶縁
- IEC 61000-4-2、IEC 61000-4-4、IEC 61000-4-5に準拠した過渡耐性試験をサポート
- 堅牢な設計±2kVサージ耐性ライン対グラウンドおよびライン対ライン、±8kV接触ESD、フィールド入力で±15kVエアギャップESD
- Windows® 10互換ソフトウェア
- 組立完了、試験済
- 実績のあるPCBレイアウト
- RoHS準拠
キット内容
- MAX22199EVKIT#(MAX22199ATJ+を含む)
- Micro-USBケーブル
必要な機器
- MAX22199評価キット
- 24V DC電圧供給(またはバレルコネクタ付き24V AC-DCアダプタ)
- Micro-USBケーブル
- Windows 10、Windows 8,1、Windows 7、Window XP PC (スペアのUSBポート搭載)
システムブロック図
公開: 2021-11-09
| 更新済み: 2023-04-17
