Analog Devices Inc. MAX2223直接変換Lバンド衛星チューナー
Analog Devices Inc. MAX2223直接変換Lバンド衛星チューナーは、衛星セットトップおよび微小開口端子(VSAT)アプリケーションを対象に設計されています。デバイスは、LNBから衛星信号を、高帯域I/Qダウンコンバータを使用したベースバンドに直接変換します。動作周波数範囲は、925MHz~2175MHzまで拡張されています。MAX2223には、LNAおよびRF可変ゲインアンプ、IおよびQ下位変換ミキサ、ベースバンドアンプが搭載されています。RF可変ゲインアンプは、70dB以上のゲイン制御範囲および1GHzのRF帯域幅を実現しています。デバイスには完全モノリシックVCO、ならびに完全フラクショナルN周波数シンセサイザが含まれています。さらに、オンチップ水晶発振器は、別のチューナーとデモジュレータを駆動するために、バッファされた出力と共に提供されます。シンセサイザのプログラミングとデバイス構成は、2-Wireシリアルインターフェースを用いて達成されます。ICは、適切なVCOを自動的に選択するVCO自動選択(EM)機能が特徴です。マルチチューナーアプリケーションを対象に、2つの2線式インターフェースアドレスのうちの1つを所有するようにデバイスを構成できます。リファレンス発振器、デジタルインターフェイス、バッファ回路をアクティブに保ちながら、信号経路がシャットダウンされている際に低消費電力スタンバイモードを利用できます。これによって、シングルおよびマルチチューナーアプリケーションにおいて電力を低減する方法が実現しています。
特徴
- 925MHz~2175MHzの周波数範囲
- モノリシックVCO
- 10kHz低位相ノイズで-97dBc/Hz
- 較正不要
- 高ダイナミックレンジ: -75dBm~0dBm
- 1GHz RF帯域幅に対応
- +3.3V ±5%の単電源
- 低電力スタンバイモード
- マルチチューナーアプリケーション用のアドレスピン
- 差動I/Qインターフェイス
- I2C 2線式シリアルインターフェイス
- 超小型、5mm x 5mm、28ピンTQFNパッケージ
アプリケーション
- VSAT
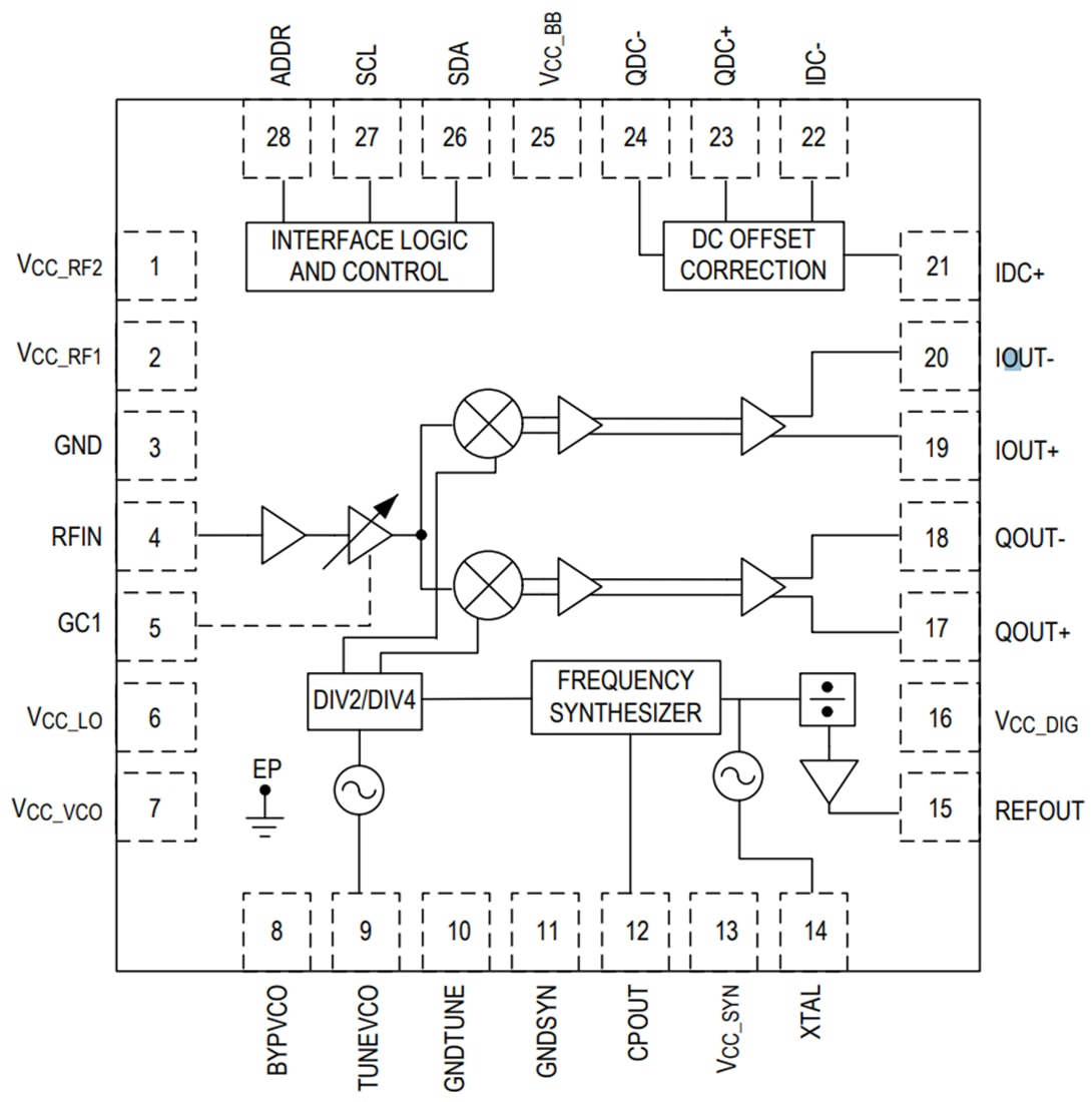
ブロック図
公開: 2020-01-21
| 更新済み: 2024-04-17
