特徴
- シンプルで柔軟性に富んだ設計
- 電源範囲 5V~36V
- 最大91%の効率
- トランスに15W以上を供給
- 低電圧ロックアウト
- 内部または外部クロック源
- 同期クロック出力(MAX22258)
- 過電流閾値をプログラミング可能
- 調整可能なデッドタイム範囲 30ns~200ns(MAX22258)
- 堅牢な内蔵システム保護機能
- フォルト検出および表示
- 過電流制限 最大1A
- 温度過昇保護
- 高精度(±6%)内部クロック源により、周波数シフトに起因する過度のトランスコア損失を防止
- 40°C~125°Cの広い温度範囲
- 省スペース
- 小型TDFNパッケージ 3mm x 3mm 10ピン、0.5mmピッチ(MAX22256A/B/C)
- 小型TSSOPパッケージ 4mm x 5mm 14ピン、0.65mmピッチ(MAX22258)
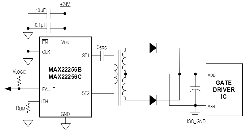
ブロック図
公開: 2022-11-29
| 更新済み: 2023-04-13

