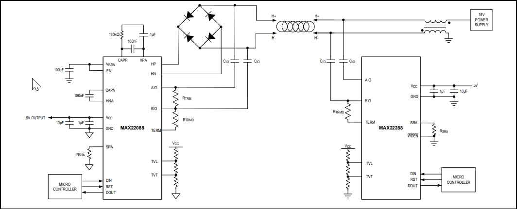
Analog Devices / Maxim Integrated MAX22288ホームバスシステム互換トランシーバ
Analog Devices MAX22288ホームバスシステム互換トランシーバは、データと電力が1組のワイヤで渡される場合に使用されます。このトランシーバは、外付け部品の必要性を最小限に抑え、ダイナミックケーブル終端を使用した堅牢な通信を実現しています。これによって、より長いケーブルとより高いデータレートでの信号品質が向上します。デバイスのデータ出力AIO/BIOは、MAX22288の電源が入っていない場合にバスをロードしません。Analog Devices MAX22288は、最速200kbpsまでの速度でデータを渡すことに対応しています。特徴
- 構成可能性との堅牢な通信
- ダイナミックケーブル終端によって、高速アプリケーションの信号品質を向上
- 低EMIを実現するようにスルーレートを調整可能
- 1000m UTPケーブルで最大200kbpsのデータレート
- プログラマブルレシーバ閾値
- 省スペース
- 4mm x 4mm TQFN パッケージ
- MAX22088とのピン対ピン互換性あり
- 統合保護
- IEC 61000-4-2 ±8kV接触および±15kV空隙 ESD保護
- IEC 61000-4-5 ±1kV過渡サージ保護 (選択した外付け部品を活用した)
- 動作温度範囲: -40℃~+125℃
アプリケーション
- 冷暖房空調機器
- ビル用コントローラ
- 産業用IoT
簡素化されたホームバスシステム(HBS)
公開: 2021-10-08
| 更新済み: 2023-04-17
