Analog Devices / Maxim Integrated MAX25239自動車用昇降圧コンバータ
Analog Devices MAX25239車載用バックブーストコンバータは、Hブリッジスイッチと固定出力レギュレーション電圧を組み込んでいることを特徴としています。コンバータ は、3V~20Vの範囲内で外部から調整できる出力電圧も備えています。ICは、入力電圧以上、以下、または同等の出力レギュレーション電圧が特徴です。Analog Devices devicesは、8.2Aまたは10Aから入力電流制限を選択できるため、入力-出力間の電圧比と動作周波数に応じて6Aまでの連続負荷電流6Aをサポートできます。コンバータには、2V~36Vの広い入力電圧範囲もあります。特徴
- 厳格な車載品質と信頼性要件に適合
- コールドクランク状態での動作が可能になる、2V~36Vの動作入力電圧範囲
- 42Vまでの入力過渡を許容
- ENピン互換 最大42V
- 標準入力電流制限 8.2A/10A
- 固定および調整可能な出力電圧オプション
- -40°C~+125°Cのグレード1車載温度範囲
- BOMコストとボードスペースの削減が可能なAEC-Q100認定済の高集積・熱放散パッケージ
- FET Hブリッジアーキテクチャを内蔵
- スイッチング周波数の選択肢 2.1MHz/400kHz/200kHz
- 位相ロックループ (PLL) 周波数同期
- 放熱特性に優れた22ピンFC2QFNパッケージ
- 厳しいOEM電流要件を満たすことができる低自己消費電流
- スタンバイモードで95uAの零入力電流
- 最大シャットダウン電流 10µA
- スイッチング周波数でのEMI放射の低減
- SPSピンによって有効/無効にできるスペクトラム拡散機能
- システムの信頼性を向上させる保護機能
- 電源低電圧ロックアウトとサーマル保護
- 出力PGOODインジケータ、過電圧、短絡保護
アプリケーション
- ADAS ECU
- インフォテインメントシステム
- ボディエレクトロニクス
- 歩調同期式系統
- ポイントオブオード電源
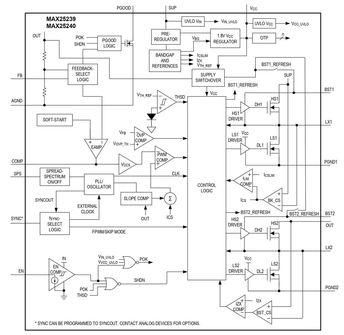
ブロック図
公開: 2022-11-29
| 更新済み: 2023-04-13
