特徴
- デュアルバックコンバータ
- 3.0V~36V(最大42V)の広い入力範囲
- 低シャットダウン供給電流(最大6.5µA)
- 1つのチャンネルでの低動作・自己消費電流(標準12µA)
- VOUTを0.8V~14Vの範囲でプログラム可能
- チャンネルあたり最大8A
- 2つのコンバータ間での180°の位相外動作
- 最小オン時間 24ns(標準)
- デュアル/クワッド相動作
- 四相動作に適したIC2個の並列動作能力
- 電流共有精度 ±10%
- 二相で最大16Aおよび四相で32Aをサポート
- 診断回路と冗長回路(MAX25255)
- ASIL Bに準拠
- 冗長リファレンス
- ダイ温度モニタ
- 過電圧と低電圧の精密な保護
- 一般的
- 23ピン、4.50mm x 5.75mm FC2QFNパッケージ
- -40°C~+125°C動作周囲温度
- 規格 AEC-Q100
- スイッチング周波数の選択肢 200kHz、400kHz、1MHz、または2MHz
- スペクトラム拡散
アプリケーション
- ヘッドユニット用のフロントエンド電源
- ASIL
- 汎用デュアルバックコンバータ
- テレマティクスモジュール
- フロントカメラ電源
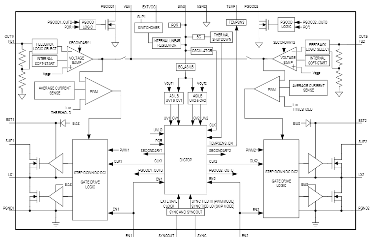
ブロック図
公開: 2022-11-29
| 更新済み: 2023-04-13

