Analog Devices / Maxim Integrated MAX25262/MAX25263車載用ミニ
Analog Devices MAX25262/MAX25263車載用2A/3Aミニバックコンバータは、最大2A/3Aを供給するように設計されたハイサイドおよびローサイド・スイッチを内蔵しています。MAX25262/MAX25263は、無負荷でわずか3.5μAの自己消費電流を使用しながら、3.5V~65Vの入力範囲で動作します。コンバータは、小さな20nsの最小オン時間機能を備えており、サイクルをスキップすることなく、単一段の大きな降圧変換が可能です。最大98%の負荷サイクルとハイサイドFETの低オン抵抗により、低入力電圧アプリケーションで低ドロップアウト動作を実現できます。Analog Devices MAX25262/MAX25263ミニ降圧コンバータは、PGOOD信号を観察することで電圧品質を監視でき、5Vと3.3Vの2つの固定出力電圧に対応しています。さらに、外付け抵抗分圧器を使用して1V~20Vの出力電圧にデバイスを設定できます。MAX25262/MAX25263の周波数は内部で2.1MHzに固定されているため、外付け部品を小さくすることができ、出力リップルが減少し、AM干渉がないことが保証されます。400kHzのオプションにより、最小限のスイッチング損失と最大限の効率を実現します。FSYNCをLowにすると軽負荷時にスキップモードになり、軽負荷時の効率が高くなります。また、EMIが重要視されるアプリケーション向けに、ピン選択可能な強制パルス幅変調(PWM)モードが用意されています。本ICは、EMI性能に優れた左右対称のフリップチップパッケージを採用しています。さらに、ピンセレクト可能なスペクトラム拡散により、EMI性能の向上にも貢献します。
特徴
- 厳しいOEM(Original Equipment Manufacturer)モジュールの消費電力と性能の仕様に適合しています。
- 2A/3A 出力電流機能
- スタンバイモード時消費電流:3.5μA
- 広い入力電圧範囲を犠牲にすることなく、敏感な無線帯域への干渉を低減するEMI 低減機能を搭載
- 最小オンタイム20ns(標準)は、2.1MHzで3.3V出力および24Vinでスキップフリー動作を保証
- スペクトラム拡散オプション
- 位相ロックループ (PLL) 周波数同期
- ダブルバッテリ駆動が可能
- 広い入力電源範囲: 3.5V~65V
- プログラマブル出力電圧範囲: 1V~20V
- 固定5V/3.3V/12Vオプションをご用意
- システムの信頼性を向上させる保護機能
- PGOOD出力と高電圧EN入力により、電源シーケンスの簡素化を実現
- 低電圧ロックアウト
- 過熱保護、短絡保護
- AEC-Q100認定を取得済
アプリケーション
- ダブルバッテリ自動車用システム
- 自動車用計器群
- 分散型直流電源システム
- ナビゲーション、無線ヘッドユニット
その他のリソース
ビデオ
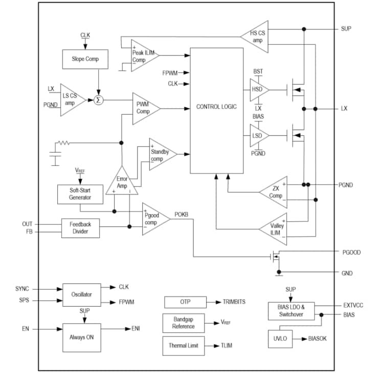
簡略ブロック図
機能図
公開: 2023-02-01
| 更新済み: 2023-04-24
