軽負荷のアプリケーションでは、ロジック入力(FSYNC)により、デバイスをスキップモードで動作させて消費電流を削減したり、固定周波数の強制PWMモードで動作させることができます。FSYNC信号は周波数の変動を排除し、EMIを最小限に抑えるのに役立ちます。MAX25431コントローラは、220kHz~2.2MHzまでに抵抗でプログラミングできるスイッチング周波数に対応し、外部クロック信号に同期させることができます。Analog Devices MAX25431車載コントローラは、出力電圧が5V固定または3V〜25V調整可能です。保護機能には、サイクルバイサイクルの電流制限(持続的な過負荷時にはヒカップモード)、入力アンダーボルテージロックアウト(UVLO)、出力過電圧保護、そして熱シャットダウンと自動回復機能が含まれています。
MAX25431車載用Hブリッジ・バックブースト・コントローラは、小型の4mm x 4mm 24ピンTQFN-EP SWパッケージに収められています。
特徴
- 厳格な自動車向け品質および信頼性要件に適合
- 動作VIN は6V〜36Vで、寒冷地におけるエンジン始動時も動作可能
- 入力トランジェント許容:最大40Vまで
- ENピン互換性:+3.3V〜+40V
- 車載温度範囲:-40°C〜+125°C
- AEQ-100準拠
- 効率的な小型ソリューション
- 省電力効率の高いスキップモード
- 5V出力電圧固定、および4V ~ 25V調整式
- 小型外付け部品の使用が可能になる高いスイッチング周波数
- 小型4mm x 4mm 24ピンSWTQFNパッケージ
- 設計者が厳しいOEM電流要件を満たすことに貢献する低自己消費電流
- 自己消費電流:55μA(スタンバイモード時)
- 最大自己消費電流:10μA(シャットダウン時)
- CISP25クラス5要件を満たすためのEMI対策
- 動作周波数: 220kHz ~ 2.2MHz
- 固定周波PWMモード
- 外部周波数同期または同期出力機能(OTPオプションで選択可)
- 拡散スペクトラムは、OTPオプションによってICに対して有効または無効にできる
アプリケーション
- インフォテインメントシステム
- ボディエレクトロニクス
- 歩調同期式系統
- ポイントオブロード電源
- USB電源
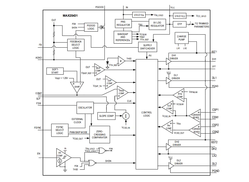
ブロック図
公開: 2020-07-30
| 更新済み: 2024-06-17

