Analog Devices / Maxim Integrated MAX33076E高速クワッドRS-422/RS-485レシーバ
Analog Devices MAX33076E高速クワッドRS-422/RS-485レシーバは、過酷な電気環境に適合する高CMR(コモンモード範囲)、高レベルの障害保護、高ESDを備えています。このデバイスは、+3.3Vまたは+5,0Vの電源範囲で動作します。±25Vの高CMRは、2つのノード間のグランドプレーンに大きな違いがあったり、モータやその他の電気的ノイズ源からの大きな外部干渉がある場合にメッセージの受信に貢献します。MAX33076Eは、障害保護を ±65Vまで拡張し、データラインをローカル電源への偶発的な短絡から保護します。さらに、 ±25kVの高ESD HBM(人体モデル)によって、製造中または現場でデータラインをESDストライクから保護します。Analog Devices Maxim MAX33076E高速クワッドRS-422/RS-485レシーバは、すべてのドライバが無効になっており終端された伝送ラインに対してオープン、短絡、あるいは接続されている場合にレシーバ出力を「ハイ(高)」状態にする真のフェイル回路が特徴です。
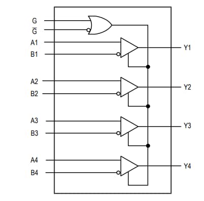
MAX33076Eは、アクティブハイとアクティブローをそれぞれ設定して出力を有効または無効にすることができるGおよびḠピンを搭載しています。また、MAX3095-96レシーバとのピン互換性があります。
MAX33076Eは16ピンSOICまたはQSOPパッケージに格納されており、定格温度範囲は-40°C~+125°Cです。
特徴
- 統合保護により堅牢性が向上
- ±65Vの障害許容クワッドレシーバ線
- ±25kV ESD HBM
- ±25Vコモンモード範囲
- レシーバ入力のショートイベントまたはオープン事象での誤った遷移を防止する真のフェイルセーフレシーバ
- 動作温度範囲:-40°C~+125°C
- 簡単なアップグレードを実現する業界スタンダード
- 16ピンSOICおよびQSOPパッケージ
- 業界スタンダードの MAX3095-96レシーバ とのピン配列互換性あり
- +3.3Vまたは+5.0Vの電源電圧
- 20Mbpsまたは35Mbpsのデータレート・オプション
アプリケーション
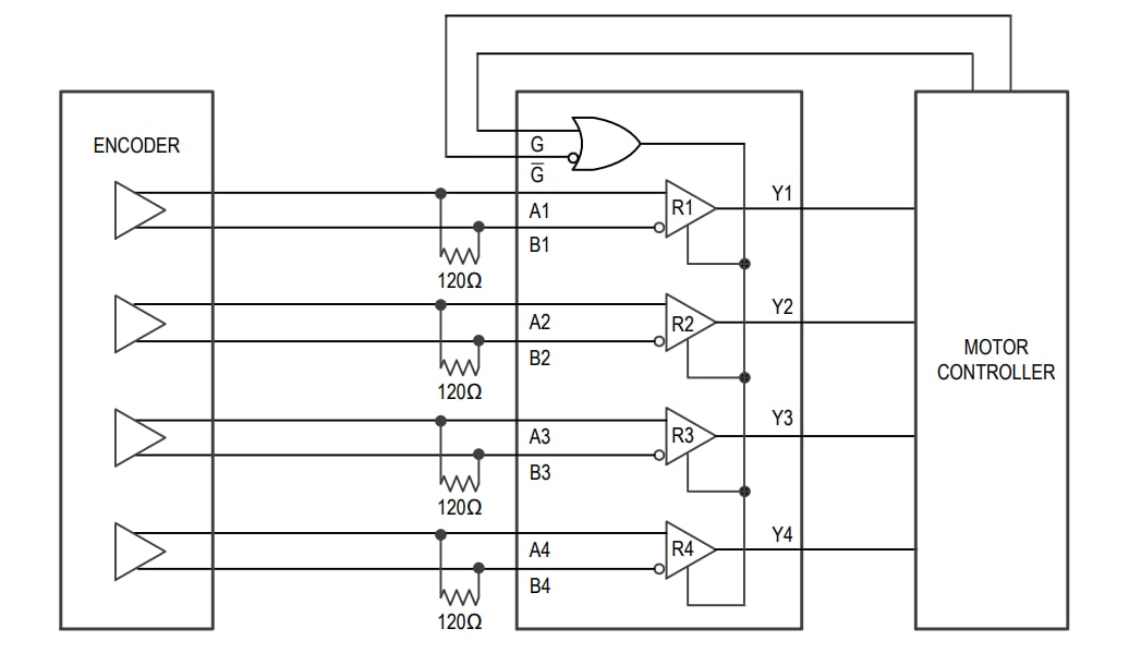
- モータコントローラ
- 通信装置
- 電力グリッド機器
- CNCマシン
- レーザーモジュール
ブロック図
標準アプリケーション回路
公開: 2022-03-29
| 更新済み: 2025-09-18
