Analog Devices / Maxim Integrated MAX3325xE絶縁2Tx/2Rx RS-232トランシーバ
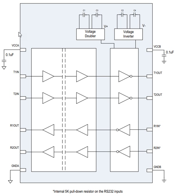
Maxim Integrated MAX3325xE絶縁2Tx/2Rx RS-232トランシーバは、診断機器、POSシステム、工業/GPS/医療機器、および通信システムで使用されています。これらの絶縁RS-232トランシーバには、統合充電ポンプとインバータがあり、正と負の高電圧電源が不要です。MAX3325xEトランシーバは、フィールド側の論理UART側との間の600VRMSのガルバニック絶縁が特徴です。絶縁バリアは、フィールド側からの電気過渡ストライキからロジックUART側を保護します。また、バリアは、データの送受信を崩壊させてしまう可能がある両側の間の設置電位の大きな差と、設置ループを解消することも可能です。MAX3325xEは、EIA/TIA232E規格に準拠しており、最大1Mbpsデータ・レートで動作します。特徴
- 高度統合によって、スペースの節約と設計の簡素化を実現
- 統合充電ポンプとインバータによって追加の電源を排除
- 4つの内部コンデンサでPCBスペースを節約
- 統合アイソレータは、ディスクリート・ソリューションと比較して最大63%節約
- 堅牢な通信のための統合保護
- 60秒間で600VRMS絶縁耐電圧(VISO)
- 50年以上の200VRMS作動電圧(VIOWM)
- 統合±15kV ESD人体モデル(HBM)
アプリケーション
- 診断装置
- 販売時点管理システム
- 産業用機器
- GPS機器
- 通信システム
- 医療機器
ブロック図
公開: 2019-01-30
| 更新済み: 2023-04-21
