Analog Devices / Maxim Integrated MAX35104ガス流量計SoC
Maxim MAX35104ガス流量計SoCは、超音波ガスメータおよび医療用ベンチレータ市場向けのアナログフロントエンドソリューションとして設計されています。このデバイスは、700psの計時精度および自動差分タイムオブフライト(ToF)を備え、気体流量の計算の簡素化に寄与します。超低62µA ToF測定および<125naのデューティーサイクル温度測定で、消費電力は市販製品の中で最も低くなっています。ストップイネーブル・ウィンドウが備わったマルチヒット(波形当り最大6)機能によって、デバイスをアプリケーションに応じて微調整することができます。内蔵アナログスイッチ、設定可能な3段内蔵オペアンプチェーンアンプ、および超低入力オフセットのコンパレータによってアナログインターフェイスと制御が提供されるため、最小限の電気bomのソリューションが実現します。>125naのデューティーサイクル温度測定で、消費電力は市販製品の中で最も低くなっています。ストップイネーブル・ウィンドウが備わったマルチヒット(波形当り最大6)機能によって、デバイスをアプリケーションに応じて微調整することができます。内蔵アナログスイッチ、設定可能な3段内蔵オペアンプチェーンアンプ、および超低入力オフセットのコンパレータによってアナログインターフェイスと制御が提供されるため、最小限の電気bomのソリューションが実現します。>特徴
- 課金および漏れ検出用の高精度の流量測定
- 時間/デジタル精度: 最小700ps (測定範囲:最大8ms)
- 2チャンネル: シングルストップチャンネル
- 高精度温度測定によって正確な流量計算が可能
- 1つの2線式センサー: PT1000、PT500 RTD、およびサーミスタに対応
- デバイスおよびシステム全体の低電力によってバッテリ寿命を最大化
- 超低62µAのTOF測定および125nAのデューティサイクル温度測定
- ランダマイザを備えたイベントタイミングモードによってホストµCのオーバーヘッドを低減しシステムの消費電力を最小化
- 単一電源動作: 2.3V~3.6V
- 高集積ソリューションによって部品数を最小限に抑えBOMコストを削減
- リアルタイムクロック内蔵
- 小型5mm x 5mm、40ピンTQFNパッケージ
- 動作温度範囲: -40°C~85°C
アプリケーション
- 超音波ガスメータ
- 医療用人工呼吸器
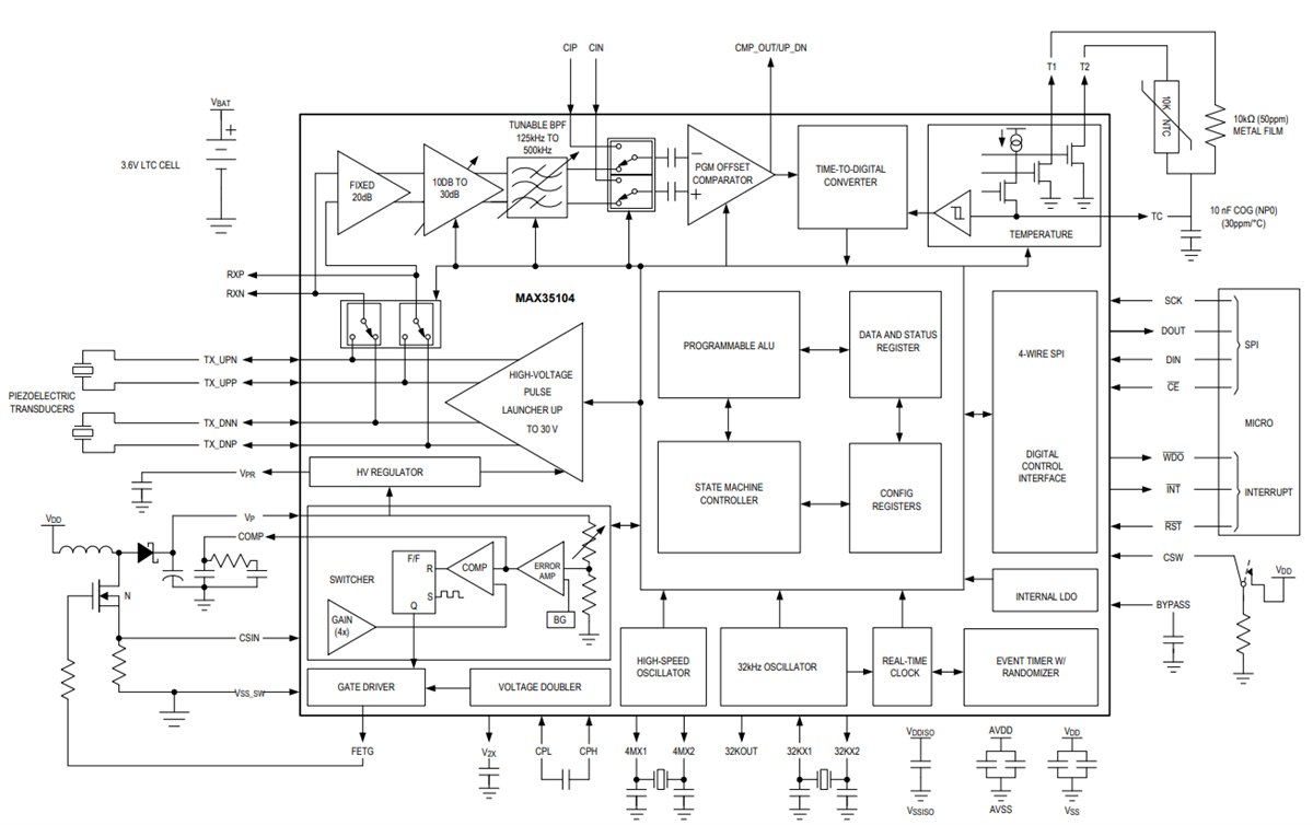
MAX35104のブロック図
公開: 2017-06-21
| 更新済み: 2023-04-17
