MAX38802およびMAX38803には、さまざまなプログラマビリティ・オプションがあり、幅広く構成できます。プログラマブル機能には、内部および外部リファレンス電圧、出力電圧セットポイント、スイッチング周波数、過電流保護レベル(OCP)、ソフトスタートのタイミングがあります。不連続電流モード(DCM)動作をピンストラッピングを介して有効にし、軽負荷効率を向上させることができます。
MAX38802およびMAX38803には、複数の保護と測定機能が搭載されています。正と負のサイクル・バイ・サイクルOCP、短絡保護、温度過昇保護(OTP)によって、堅牢な設計が保証されます。入力の低電圧と過電圧ロックアウトによって、入力電圧が仕様外の場合にダメージを回避するためにレギュレータがシャットダウンされます。出力過電圧(OVP)事象が発生した場合に安定化が停止します。ステータスピンは、出力電圧が範囲内にあり、出力電圧が安定していることを示します。デバイスには、出力電流または接合部温度をそれぞれ±5%および±8°Cの精度でレポートするように構成できるアナログ出力があります。
Analog Devices MAX38802およびMAX38803降圧スイッチングレギュレータは、コンパクトな2.2mm x 3.8mm WLCSP27パッケージでご用意があり、低熱抵抗を実現、PCB領域を最小限に抑えています。
特徴
- 高効率ソリューション
- 最高97%までのピーク
- 最大95.5%フル負荷
- DCMイネーブルの時1Aで最大96%の軽負荷効率
- MAX38800 (9A) およびMAX38801 (15A) との互換性があるフットプリント
- 最大1MHzのプログラマブルスイッチング周波数
- プログラマブル・ソフトスタートとスタート遅延タイミング
- 外部入力オプションがあるプログラマブル・リファレンス電圧
- プログラマブル正と負のOCP制限
- アナログ電流または温度レポート
- 差動リモート検知、開回路検出
- Quick-PWM™ アーキテクチャが備わった高速過渡応答
- パーセンテージ・ベースの出力パワーグッドとOVP
- オープンドレイン・ステータス・インジケータ(STAT)ピン
- 入力低電圧と過電圧ロックアウト
- 適応型デッドタイム制御
- 集積ブーストスイッチ
- セラミック入出力コンデンサを使用した動作
- 2mm x 3.8mm WLCSP27パッケージ
アプリケーション
- DDRメモリ: VDDQ、VPP、VTT
- GPUコア電源
- I/Oとチップセット供給
- ポイントオブロード(POL)アプリケーション
- サーバとµServers
MAX38802の構成オプション
MAX38803の構成オプション
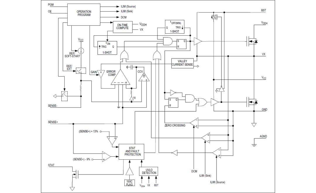
ブロック図
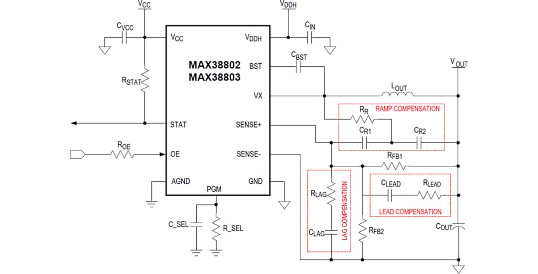
基本アプリケーション回路
公開: 2020-11-05
| 更新済み: 2024-07-17

