Analog Devices / Maxim Integrated MAX38889リバーシブルバック/ブーストレギュレータ

Analog Devices Inc. MAX38889リバーシブル・バック/ブースト・レギュレータは、バックアップ・アプリケーション用に設計されています。MAX38889には、2.5V~5.5Vのシステム出力電圧範囲、±1%の閾値確度、充電または放電モードで94%のピーク効率が備わっています。ADI Maxim MAX38889リバーシブルバック/ブーストレギュレータは、3mm x 3mm、16ピンTQFNパッケージに格納されています。

特徴

  • システム出力電圧:2.5V~5V
  • 超コンデンサ電圧範囲:0.5V~5.5V
  • 閾値精度: 1%
  • バックアップと充電の間のヒステリシス:2.5%
  • ピークインダクタ電流制限:1A~3A
    • ピークインダクタ電流は、外部レジスタを使用して1A~3Aでピンプログラマブル
  • 94%のピーク効率、充電または放電モード
  • 準備完了状態での4µAの自己消費電流
    • スーパーコンデンサが充電された後、わずか4µAの自己消費電流を消費
  • Readyおよびバックアップ状態出力
    • RDYおよびBKBフラグによって、システムへのリアルタイムステータスを実現
  • 3mm x 3mm, 16ピンTQFNパッケージ

アプリケーション

  • ハンドヘルド産業用機器
  • 取り外し可能なバッテリが搭載されたポータブルデバイス/コンピュータ
  • 産業用センサとアクチュエータ
  • 自動車アフターマーケットトラッキング

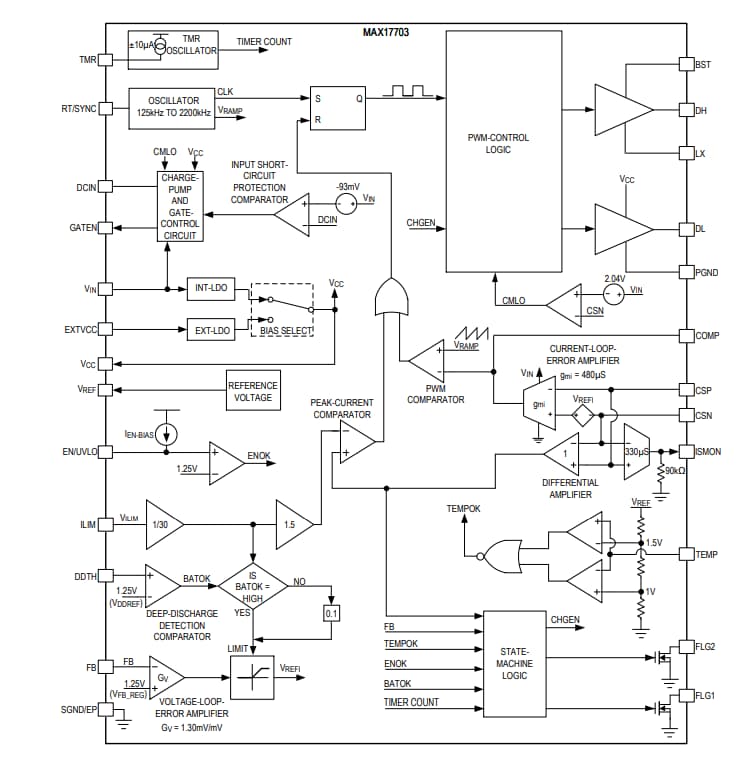
機能図

ブロック図 - Analog Devices / Maxim Integrated MAX38889リバーシブルバック/ブーストレギュレータ

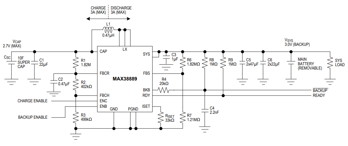
アプリケーション回路

アプリケーション回路図 - Analog Devices / Maxim Integrated MAX38889リバーシブルバック/ブーストレギュレータ
公開: 2021-04-19 | 更新済み: 2023-04-13