Analog Devices / Maxim Integrated MAX40008/MAX40009シャットダウン付コンパレータ
Maxim Integrated MAX40008/MAX40009コンパレータには、シャットダウン機能があり、低電圧動作とレール・ツー・レール入力が特徴で、1.7V~5.5Vの動作供給電圧範囲で動作します。この電圧範囲によってMAX40008およびMAX40009 5.5Vは、公称1.8V~5V電源から実行し、わずか12μAの供給電流のみ消費するシステムに理想的です。このコンパレータは、220ns伝播遅延を達成しており、0.5mV(typ)入力オフセット電圧と内部ヒステリシスが備わっています。これによって、ゆっくり動く入力信号であってもきれいな出力スイッチングが保証されます。特徴
- 220ns伝播遅延
- 小型0.73x1.1mmで0.35mmピッチの6バンプWLPおよびSOT23パッケージで、基板スペースを節約
- レール・ツー・レール入力
- 温度全体で17μA(最大)未満の低動作電流
- 過駆動入力用の位相反転なし
- 電源電圧範囲:(1.7V~5.5V)1.8V、2.5V、3V、および5V電源での動作が可能
- プッシュプル(MAX40009)またはオープンドレイン(MAX40008)出力
- 統合RF耐性フィルタ
- 低消費電力シャットダウン入力によって、自己消費電流を150nAまで削減
- 温度範囲: -40°C~+125°C
アプリケーション
- モバイル通信
- ポータブル/バッテリ駆動システム
- ウィンドウコンパレータ
- レベル変換器
- 閾値検出器/弁別器
- IRレシーバ
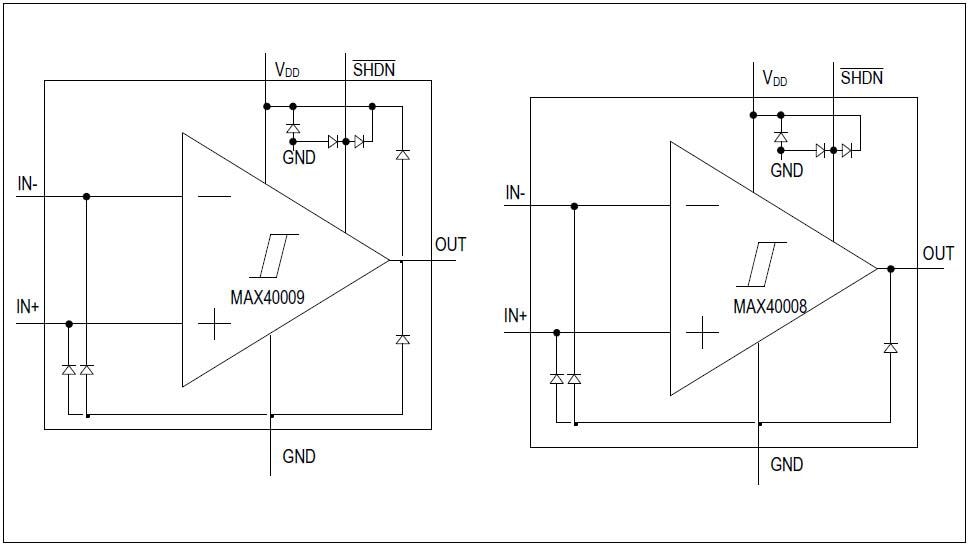
MAX40008 & MAX40009のブロック図
公開: 2017-08-07
| 更新済み: 2023-04-14
