Analog Devices / Maxim Integrated MAX44259, MAX44260, MAX44261, MAX44263 Op-Amps
Analog Devices MAX44259, MAX44260, MAX44261, and MAX44263 Op-Amps offer a unique combination of high speed, precision, low noise, and low-voltage operation, making them ideal for a large number of signal processing functions, such as filtering and amplification of signals in portable and industrial equipment. These ADI op-amps feature on-demand calibration that provides accuracy over time and temperature. The Analog Devices MAX44259, MAX44260, MAX44261, and MAX44263 Op-Amps feature an input offset of less than 50µV and a high-gain bandwidth product of 15MHz while maintaining a low 1.8V supply rail.The devices' rail-to-rail input/outputs and low noise guarantee maximum dynamic range in demanding applications such as 12- to 14-bit SAR ADC drivers. MAX44260 includes a fast-power-on shutdown mode for further power savings. MAX44261 offers a unique on-demand calibration pin where the user can invoke self-trimming of the input offset voltage. MAX44263 is a dual amplifier.
Features
- Low 1.8V supply rail over the -40°C to +125°C range
- 1.7V supply rail over the 0°C to +70°C range
- 15MHz unity-gain bandwidth
- Low 12.7nV/√Hz input voltage-noise density
- Low 1.2fA/√Hz input current-noise density
- Low 50µV (max) VOS at +25°C
- On-demand VOS self-calibration (MAX44261)
- 500fA low input bias current
- 750µA quiescent current per amplifier
- <1µA supply current in shutdown
- Small, 2.0mm x 2.0mm SC70 and 1.0mm x 1.5mm thin µDFN (MAX44260) packages
- Low 110dB total harmonic distortion
Applications
- 3G/4G handsets
- Analog-to-digital converter buffers
- Battery-operated devices
- General-purpose signal processing
- Notebooks
- Portable media players
- Portable medical instruments
- Transimpedance amplifiers
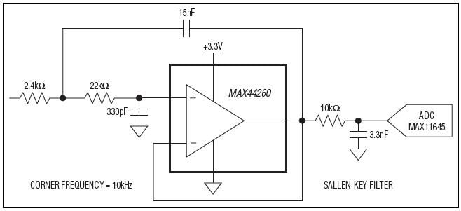
Typical Application Circuit
View Results ( 6 ) Page
| 部品番号 | データシート | パッケージ/ケース | 動作供給電流 | Ib - 入力バイアス電流 |
|---|---|---|---|---|
| MAX44260AXT+T | ![]() |
SC-70-6 | 750 uA | 500 fA |
| MAX44259AUK+T | ![]() |
SOT-23-5 | 750 uA | 500 fA |
| MAX44260AYT+T | ![]() |
UDFN-6 | 750 uA | 500 fA |
| MAX44261AXT+T | ![]() |
SC-70-6 | 750 uA | 500 fA |
| MAX44263AXA+T | ![]() |
SC-70-8 | 650 uA | 500 fA |
| MAX44280AYT+T | ![]() |
UDFN-6 | 750 uA | 500 fA |
公開: 2012-12-10
| 更新済み: 2023-04-14

