Analog Devices / Maxim Integrated MAX5992A/MAX5992B受電デバイスコントローラ
Maxim Integrated MAX5992A/MAX5992B受電デバイスコントローラは、PDを対象としたインターフェイス制御を実現しており、IEEE® 802.3af/at規格に準拠しています。これらのコントローラは、パワーオーバーイーサネット(PoE)システムで使用されます。これらのデバイスは、検出シグネチャ、分類シグネチャ、電流制限制御付きの絶縁MOSFETドライバが搭載されたPDを実現しています。さらに、このインテリジェント維持電力シグネチャ(MPS)およびアクティブFETブリッジ制御によって、PDの電力効率がさらに高くなります。このデバイスは、ハイパワーマルチ2P PDアプリケーションを対象としたSIG_OK出力信号が特徴です。特徴
- IEEE 802.3af/at準拠
- UPoE互換
- ハイパワー2x2P/マルチPD同期化/マルチPD冗長性
- 統合アクティブFETブリッジ制御およびバック給電保護
- 医療/工業アプリケーションにUVLOを選択可能
- 2レベルの突入電流制御
- インテリジェントMPS
- シームレスの電力繊維のための、簡素化された壁コンセントアダプタ・インターフェイス
- 超低消費電力/スリープモード
- 2事象分類または外部壁コンセントアダプタ・インジケータ出力
- PoE分類0~5
- 外部絶縁MOSFET用のゲートドライバ
- 電流制限とフォールドバックを選択可能
- RJ45 12V供給入力
- 6.5sスリープモード遅延
アプリケーション
- IEEE 802.3af/at駆動デバイス(PD)
- ユニバーサル・パワーオーバーイーサネット (UPoE)
- フェムトセル/ピコセル/マイクロセル
- ハイパワー2x2P PD
- マルチPD冗長性
- Fiber-to-the-Home/Building (FTTH/FTTB)
- IP電話
- ワイヤレスアクセスノード
- IPセキュリティカメラ(IPC)
- WiMAX®基地局
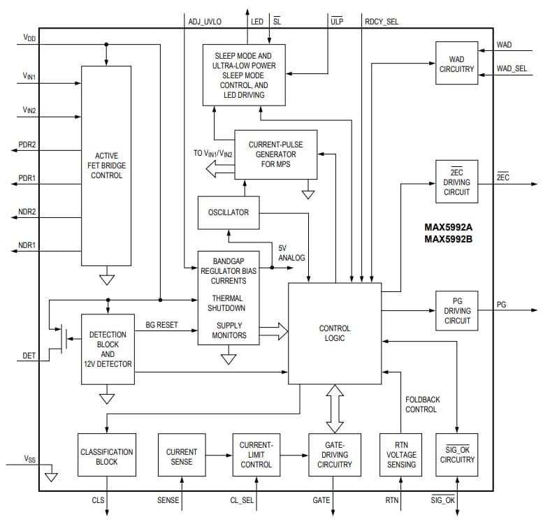
ブロック図
公開: 2019-06-24
| 更新済み: 2023-04-17
