Analog Devices / Maxim Integrated MAX77640/MAX77641超低電力PMIC
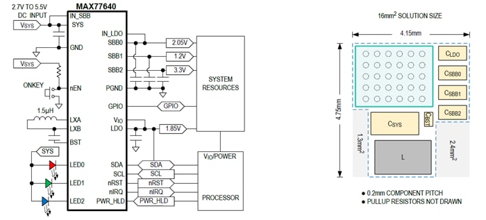
Maxim Integrated MAX77640/MAX77641 PMICは、超低消費電力ソリューションで、サイズと効率性が重要になるアプリケーションを対象としています。MAX77640/MAX77641 PMICには、3出力単一インダクタ複数出力(SIMO)バックブースト・レギュレータ、150mA LDO、3チャンネル電流シンク・ドライバ、I2Cシリアル・インターフェイスが統合されており、16mm2のトータル・ソリューション・サイズのコンパクトなパッケージに収められています。>300Ma負荷(1.8VOUT、3.7VIN)をサポートする能力があるこの3出力SIMOは、2.7V~5.5Vの入力電圧、5.6µA動作電流、300nAシャットダウン電流を使用して動作します。この電流シンクをプログラミングし、LEDをカスタム・パターンで点滅させることができます。この出力は、注文オプションに応じて、0.8V~5.25Vの間で独立してプログラミングできます。この統合パワー・シーケンサは、各出力のパワー・アップ/ダウンの順序を制御します。各出力は、バック動作とブースト動作との間に不具合のない遷移を実現しています。
MAX77640/MAX77641 PMICは、デバイスのコンパクトなサイズ、バッテリ寿命を延長するように設計された3出力SIMO、ノイズに敏感なアプリケーションでリップル除去を提供する150mA LDOのおかげで、ヒアラブル、ウェアラブル、モノのインターネット(IoT)ガジェットに最適です。
特徴
- コンパクトな高効率パワー・ソリューション
- 3出力、単一インダクタ複数出力(SIMO)バックブーストレギュレータ
- 150mA LDO
- 3チャンネル電流シンク・ドライバ
- 柔軟性に富んだパワー・シーケンシング
- GPIOおよびリセット出力
- 3出力SIMOでバッテリ寿命を延長
- 1セル・リチウムイオンの2.7V~5.5Vの入力電圧範囲
- 出力電圧範囲: 0.8V~5.25V
- >300Ma負荷をサポート(1.8VOUT、3.7VIN)
- サイズを削減しつつ、全体的なシステム効率を向上
- 従来のバックとは異なり、ドロップアウトせずに安定化を維持
- グリッチレス・バックブースト動作
- 低静止電流
- シャットダウン電流: 300nA
- 動作電流: 5.6µA(3つのSIMOチャネルとLDO On)
- 小型サイズ
- 2.75mm x 2.15mm (高さ最高0.7mm) WLP
- 30バンプ、0.4mmピッチ、6x5アレイ
- 16mm2トータル・ソリューション・サイズ
アプリケーション
- ヒアラブル: Bluetoothヘッドフォンとイヤホン
- ウェアラブル: フィットネス、ヘルス、およびアクティビティモニタ
- アクションカメラ、ウェアラブル/ボディカメラ
- モノのインターネット(IoT)ガジェット
簡略化アプリケーション回路
公開: 2018-08-23
| 更新済み: 2023-04-25
