Analog Devices / Maxim Integrated MAX77857評価キット
Analog Devices MAX77857評価キット は、組立とテストが完了しているプリント回路ボード(PCB)で、MAX77857バックブーストコンバータを実証します。このデバイスは、2.5V~16Vの入力、内部帰還レジスタを使用して4.5V~15Vの間で調整できる出力、または外部帰還レジスタを使用して3V~15Vを提供します。MAX77857評価キットは、工場出荷時に内部フィードバックとして構成されており、5Vでのデフォルトの起動出力電圧が備わっています。Analog Devices MAX77857評価キット は、I2Cシリアルインターフェイス、イネーブル機能、割込/パワーOKインジケータをサポートするI/Oピンが特徴です。特徴
- 実証されたPCBリファレンス設計とレイアウトのメリット
- 完全に組立済、テスト済
- 高精度の測定ポイントを検出
- EN、POKB/INTB、VIO、I2Cシリアル・インターフェイスSCL、SDAを対象としたアクセス可能な試験ポイント・ピン
- MAXUSB_INTERFACE#を使用すると、Windows PCとの簡単な通信が実現
- オプションのソフトウェア制御でI2Cシリアルインターフェイスを駆動するGUIソフトウェア
- 外部帰還抵抗から調整できるスタートアップ出力電圧
- I2Cシリアルインターフェイスを介して出力電圧を動的に調整可能
- RSEL(R9)を使用して調整できるI2Cスレーブ・アドレス、スイッチング電流制限、フィードバック構成
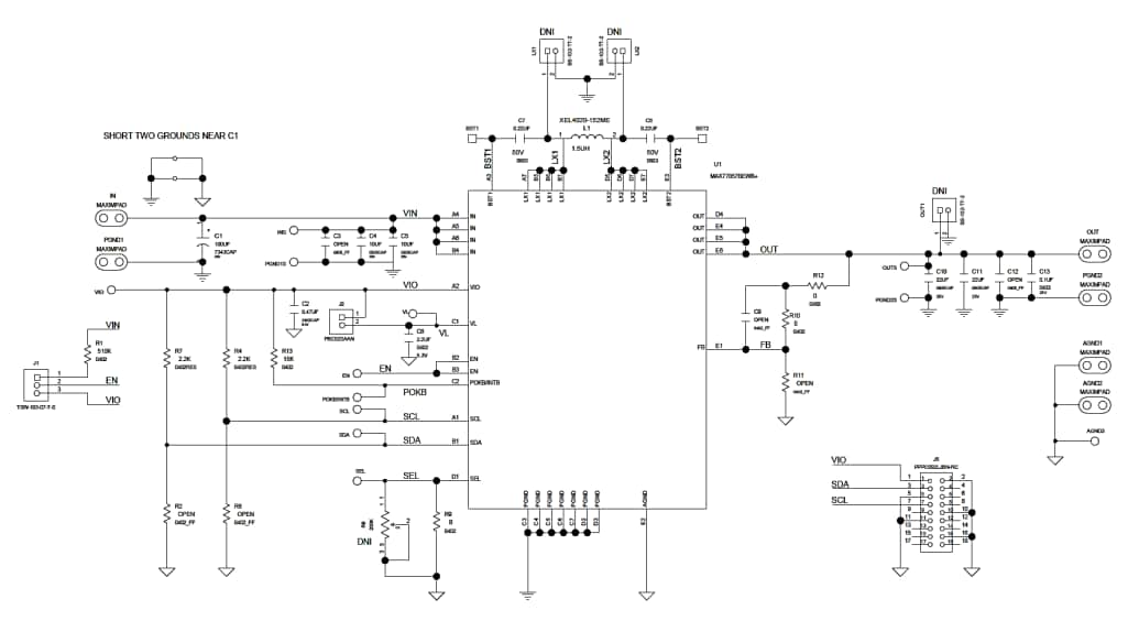
アプリケーション回路図
MAX77857 EVキットのスキーム図
公開: 2022-05-20
| 更新済み: 2023-04-17
