Analog Devices / Maxim Integrated MAX77863パワーマネジメントIC
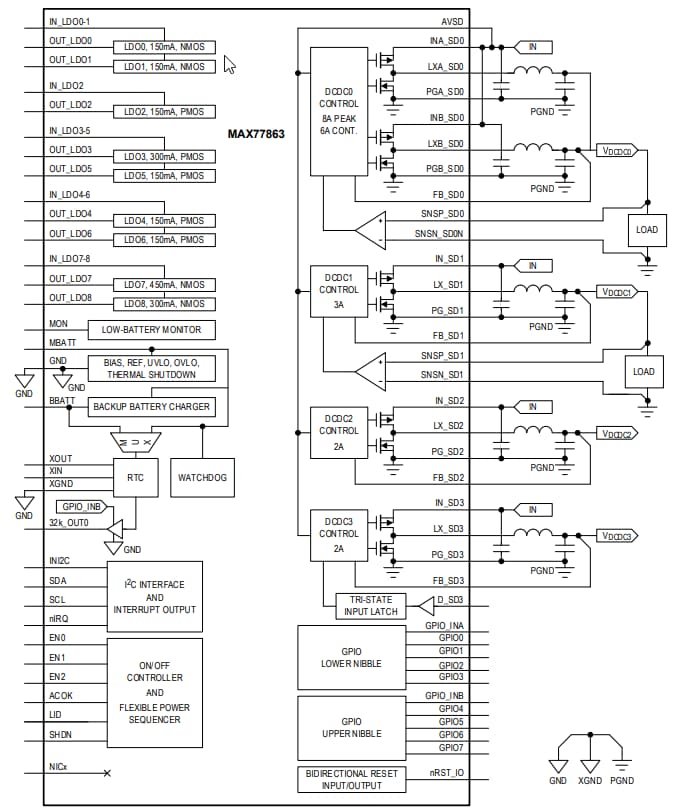
Maxim Integrated MAX77863パワーマネジメントICは、モバイル端末を対象に設計されており、システムオンチップ(SoC)アプリケーション・プロセッサが使用されています。このデバイスは、ウェハーレベル・パッケージ(WLP)でご用意があり、スマートフォン、GPS、セットトップボックスをはじめとするスペースに制約があるアプリケーションに使用できます。MAX77863パワーマネジメントICには、13台のレギュレータが備わっています。2つのレギュレータは、差動リモートセンシングを実現しており、連続およびピーク出力電流の両方に定格されています。工場出荷時にプログラミングできる多数のオプションを使用すると、多くのエンドアプリケーション向けにデバイスをカスタマイズできます。特徴
- 2.6V~5.5Vの電圧源で動作
- 0.6V~3.3875V出力電圧範囲
- 出力電流: 8A
- 低コストのPCBテクノロジーが実現
- 4X DC-DC降圧型レギュレータを搭載
- 9x 低ドロップアウト・リニアレギュレータを搭載
- 外付けMOSFET不要
- 最低電力状態で12µAを消費
- すべてのレギュレータでの低消費電力モードによって電力消費を削減
- ポイントオブロード・コンデンサのみで安定しているLDO
- I2C 3.0互換インターフェイス
- nIRQ割り込み出力
- 8x GPIO
- リアルタイムクロック(RTC)
- 予備バッテリ充電器
- タイミングクロック出力
- システム監視タイマ
- I2Cウォッチドッグタイマ
- 双方向リセットI/O
- 柔軟性に富んだパワーシーケンサ(FPS)
- サーマルシャットダウン
- -40° C~+85°C動作温度範囲
アプリケーション
- パーソナル・インターネット・ビューア
- デジタル写真フレーム
- セットトップボックス
- スマートフォン
- GPS
- 自動車用アフターマーケット・アクセサリ
簡略機能図
公開: 2019-11-22
| 更新済み: 2023-05-04
