Analog Devices / Maxim Integrated MAX77950評価キット
Maxim Integrated MAX77950評価キットは、20Wの出力電力を実現しており、複数のテストポイントを使用して出力、整流器出力、AC電圧を測定します。MAX77950キットは、WPC低消費電力(v1.2)およびPMA SR1(v2.0)通信プロトコルの仕様要件を満たしています。このキットは、WPCまたはPMAトランスミッタと結合された場合に近接場磁気誘導を使用して動作します。このキットには、電力を無線で受信または送信する平面コイル、およびグラフィカルユーザインターフェイス(GUI)を実現しているWindows®ベースのソフトウェアが含まれています。その他の機能には、証明済みレイアウト、動作のモニタリングがあり、RoHSにも準拠しています。特徴
- Ready-To-Go評価キット(レシーバ・コイル装備)
- 出力電圧(VOUT)、整流器出力電圧(VRECT)、AC電圧を計測するための複数のテスト・ポイント
- 多機能テスト用のグラフィカル・ユーザ・インターフェイス(GUI)ソフトウェア
- 動作のモニタリング用のLED表示
- RoHS準拠
- 実績のあるPCBレイアウト
- 完全に組立済、テスト済
キット内容
- WPC/PMA準拠のワイヤレス・パワー・トランスミッタ
- Micro-USBケーブル
- デジタル・アンプ(DVM)
- WindowsベースのPC
- オプション: DC電源および電子負荷
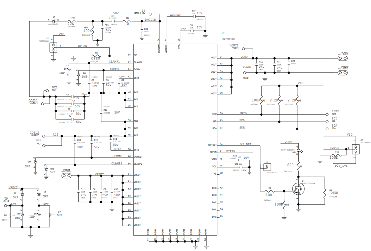
MAX77950評価キットの概略図
公開: 2017-09-20
| 更新済み: 2023-04-14
