Analog Devices Inc. MAX77960/MAX77961 USB-C™昇降圧充電器
Analog Devices Inc. MAX77960/MAX7761 USB-C™昇降圧充電器は、Smart Power Selector™を備えた高性能、広い入力の3Aまたは6A充電器です。充電器は、追加のインダクタなしで、逆降圧コンバータとして動作します。これによってICは、USB on-the-go(OTG)アクセサリに給電できます。デバイスは、低損失パワースイッチを統合しており、高い効率性を提供します。MAX77960/MAX7761は、低熱、高速バッテリ充電、真の負荷切断も提供します。調整可能な出力電流制限によって保護されます。デバイスは、非常に柔軟で、I2C構成または抵抗器構成を通じて自律的にプログラム可能です。特徴
- 3.5V ~ 25.4Vの入力動作範囲、30VDC 耐性
- 9VIN /7.4VOUT /1.5AOUT で2Sバッテリの97%ピーク効率性
- 15VIN /12.6VOUT/2AOUT で3Sバッテリの97%ピーク効率性
- MAX77960
- 100mA~3.15Aプログラマブル入力電流制限
- 100mA~3Aプログラマブル定電流充電
- MAX77961
- 100mA~6.3Aプログラマブル入力電流制限
- プログラム可能な定電流充電:100mA~6A
- リモート作動センシング
- 600kHzスイッチング周波数
- Smart Power Selector電力経路を用いたシステム即時ON
- 充電安全タイマ
- 熱フォールドバック・ループを用いたダイ温度安定化
- 適応型入力電流制限(AICL)および入力電圧安定化が備わった入力パワーマネジメント
- 10mΩのBATT‐SYSスイッチ、最大10Aの過電流閾値
- USB OTGをサポートする逆バックモード5.1V/3A
- NTCサーミスタ・モニタに準拠した電子情報技術
- I2Cまたは抵抗器プログラム可能
- 4mm x 4mm、30リード FC2QFNパッケージ
アプリケーション
- USB Type-C駆動ワイド入力充電アプリケーション
- 2およびセルバッテリ駆動デバイス
- スマートフォン、タブレット、2-in-1ラップトップ
- 医療機器、ヘルス、フィットネスモニタ
- デジタルスチール、ビデオ、アクションカメラ
- ハンドヘルドコンピュータと端子
- ハンドヘルド無線
- 電力ツール
- ドローン
- 予備バッテリ
- ワイヤレス・スピーカ
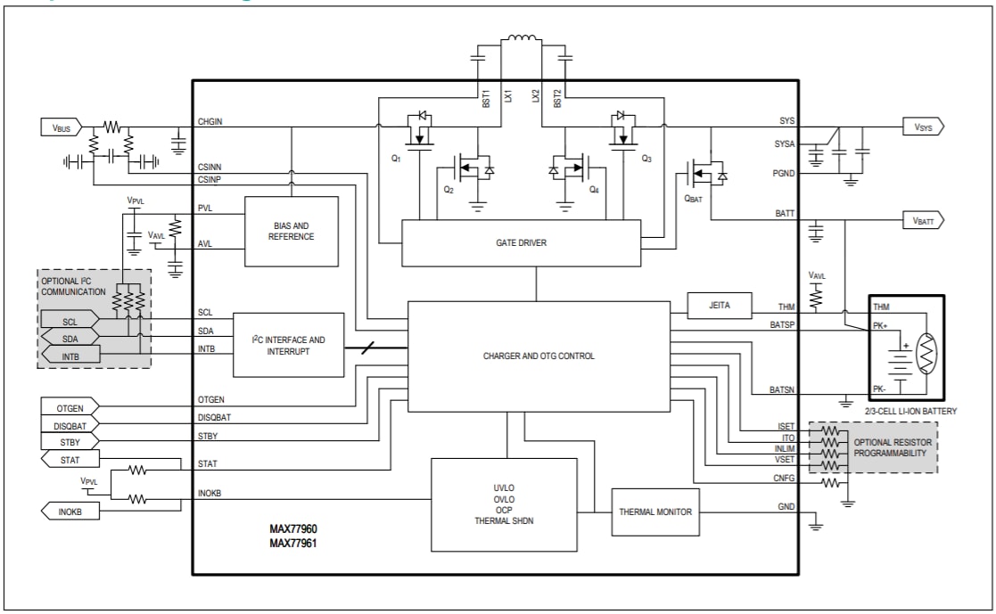
ブロック図
公開: 2020-10-26
| 更新済み: 2024-07-11
