パワーモジュールは、4.5V ~ 36Vで動作し、最大1Aの出力電流を供給します。MAXM17630およびMAXM17631は、それぞれ固定3.3Vおよび5V出力モジュールです。MAXM17632は、調整可能な出力(0.9V ~ 12V) モジュールです。このデバイスには、真のプラグアンドプレイ電源ソリューションが備わっており、設計の複雑性、製造リスク、市場投入までの時間が大幅に削減されています。全出力電圧範囲での内部補償によって、外部補償部品の必要性が排除されています。
MAXM1763xパワーモジュールは、ピーク電流モード制御アーキテクチャが特徴で、パルス幅変調(PWM) 、パルス周波数変調 (PFM) 、または不連続導通モード (DCM) での動作が可能で、軽負荷状態下での高い効率性を実現できます。モジュールファミリを対象とした-40°C ~ +125°Cでのフィードバック電圧レギュレーション精度は±1.2%です。
MAXM1763xパワーモジュールは、薄型でコンパクトな16ピン、3mm x 3mm x 1.75mm、uSLIC™パッケージでご用意があります。シミュレーションモデルもご用意があります。
特徴
- 使用が簡単
- 4.5V ~ 36Vの広い入力
- 調整可能な0.9V ~ 12V出力(MAXM17632)
- 固定3.3Vおよび5V出力バージョン(MAXM17630およびMAXM17631)
- 外部クロック同期によって調整可能な周波数: 400kHz ~ 2.2MHz
- ±1.2%フィードバック精度
- 出力電流最大1A
- 内部補償付
- オールセラミックコンデンサ
- 高効率
- PWM、PFMまたはDCMモードの動作を選択可
- 補助ブートストラップ供給 (EXTVCC) によって効率性の向上を実現
- 最低2.8μA (標準)までのシャットダウン電流
- 柔軟性に富んだ設計
- プリバイアス出力電圧による調整可能な単調起動
- RESETピンを用いた内蔵出力電圧監視
- プログラム可能なEN/UVLO閾値
- 堅牢な動作
- ヒカップモード過負荷保護
- 温度過昇保護
- -40°C~+125°C周囲動作温度範囲
- ジャンクション温度範囲:-40°C~++150°C
- 堅牢
- CISPR22 (EN55022) クラス B伝導および放射放出に準拠
- 降下、衝撃、振動規格: JESD22-B103、B104、B111に合格
アプリケーション
- 産業制御用電源
- 汎用ポイントオブロード
- 分散電源安定化
- 基地局電源
- 高電圧シングルボードシステム
- プログラマブルロジックコントローラ
ビデオ
MAXM17631標準アプリケーション
MAXM17632の代表的なアプリケーション
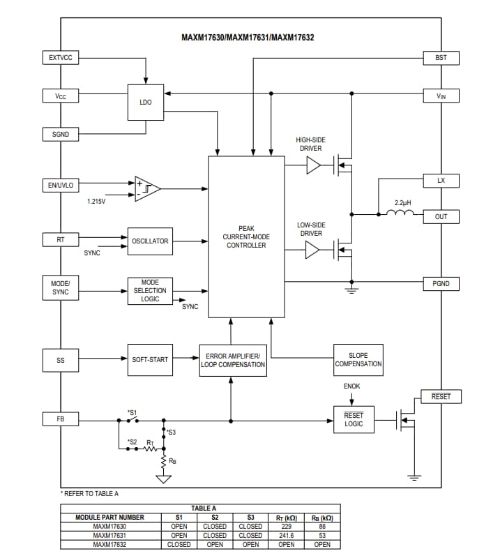
機能図
公開: 2020-02-18
| 更新済み: 2025-08-07

